

作品包括:
Word版设计说明书1份
CAD版本图纸,共11张
摘要
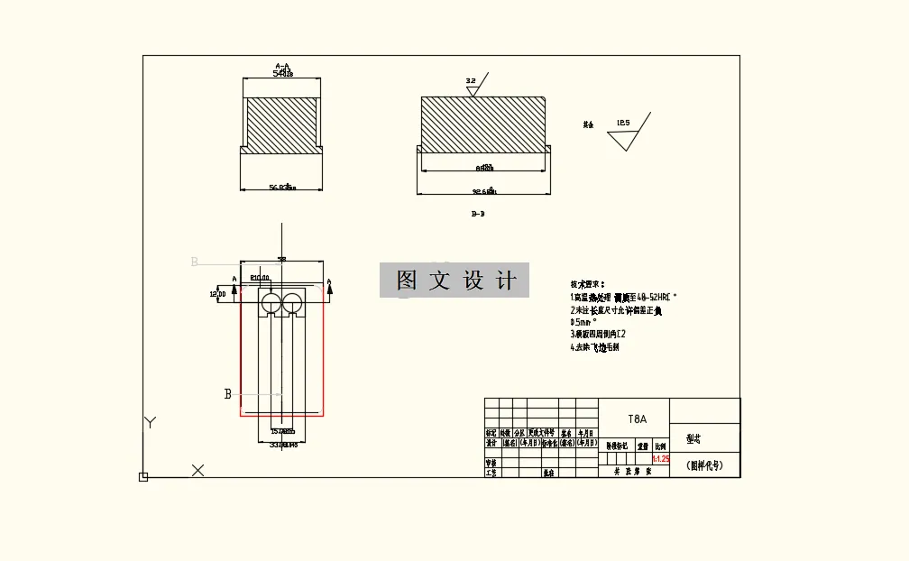
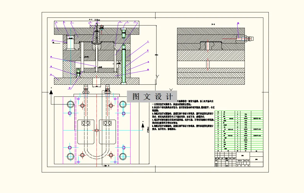
本文所研究的内容是得力计算机后盖的注塑模。本次设计主要分析了塑件的模型分析,材料选择及工艺分析,其中工艺分析又主要分析了尺寸精度以及表面质量。随后根据分型面的选择原则,通过对塑件成型脱模的过程确定了分型面,之后我们确定了型腔数量,并了解多型腔与单型腔的区别,对于型腔的排列方式也做了设计,并对型腔进行了加工仿真,获得其数控程序,再根据我们所确定的型腔的数量我们又初步选择了注塑机的型号。之后我们设计了浇注系统以及脱模机构,首先了解了这两个系统是如何进行工作的,在这之后我们通过浇注系统设置的原则确定了浇注方式以及浇口位置并了解了浇口为什么要这样设置,选择的设置方式有着什么优点,随后我们计算出了推出力,然后设计了冷却系统,研究如何冷却使得塑件能保证质量,最主要的是型芯与型腔的尺寸计算,之后我们进行模架的选择以及对注塑机进行校核,确定它是否符合使用的条件。
温馨提示:
1、题目前面的备注【字母数字编号】为本站整理分类的编号,与课题内容无关,请选题时忽视;
2、若题目上备注三维,则表示文件里包含三维源文件,由于三维组成零件数量较多,为保证预览截图的简洁性,本站将三维文件夹进行了打包。三维及CAD预览截图,均为本站电脑打开软件进行截图的,保证能够打开,下载原件超高清,下载后解压即可;
3、本站所有资源如无特殊说明,都需要本地电脑安装Office2007。图纸软件为AutoCAD,PROE,UG,SolidWorks,CATIA等;
4、本站所有图文资料仅供用户学习参考,不作为任何商用或其他用途;
5、本站不保证下载资源的准确性、安全性和完整性, 不包修改,不支持退换,同时也不承担用户因使用这些下载资源对自己和他人造成任何形式的伤害或损失;
6、 下载文件中如有侵权或不适当内容,请与我们联系,我们立即纠正。