

作品包括:
Word版设计说明书1份
CAD版本图纸,共7张
摘要
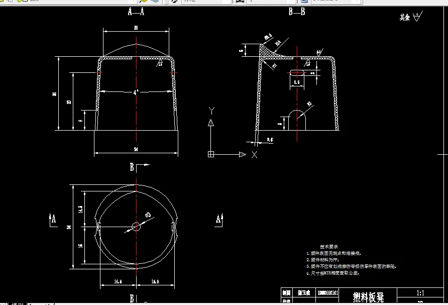
本次设计的课题是行人过街按钮外罩注射模具设计,通过对零塑件的形状结构测绘得到各个尺寸,再用CAD绘制塑件的零件图,利用Moldflow进行相关的模流分析,最后经过模具设计绘制装配图和相关零件图。塑件为外罩类零件,材料为ABS,需要与其他外部元器件组合使用,外壳为曲面,较于其他表面光洁,内部设置了诸多参与配合固定的结构,整体制件精度要求不高。选择外壳曲面的下表面为分型面,一模一腔,从中间直径为54mm的圆孔中设置浇注系统,从圆孔侧面隐蔽处进浇,浇口形式是矩形侧浇口。模具采用推杆、推管组合的方式推出塑件,降低推出应力,倒扣结构需要通过斜顶杆来完成侧抽芯;型腔做成镶块嵌入定模板,单独将内腔部分做成型芯,动模镶块用来成型腔壁。至此,整块型芯由动模镶块和动模镶块型芯组成,降低加工难度,更精准的实现塑件成型。塑件体积不大,没有较厚的壁厚,冷却水道采用直通式,加工方便,内部采用隔板式冷却装置,冷却效果好。最后,绘制装配图和零件图。
温馨提示:
1、题目前面的备注【字母数字编号】为本站整理分类的编号,与课题内容无关,请选题时忽视;
2、若题目上备注三维,则表示文件里包含三维源文件,由于三维组成零件数量较多,为保证预览截图的简洁性,本站将三维文件夹进行了打包。三维及CAD预览截图,均为本站电脑打开软件进行截图的,保证能够打开,下载原件超高清,下载后解压即可;
3、本站所有资源如无特殊说明,都需要本地电脑安装Office2007。图纸软件为AutoCAD,PROE,UG,SolidWorks,CATIA等;
4、本站所有图文资料仅供用户学习参考,不作为任何商用或其他用途;
5、本站不保证下载资源的准确性、安全性和完整性, 不包修改,不支持退换,同时也不承担用户因使用这些下载资源对自己和他人造成任何形式的伤害或损失;
6、 下载文件中如有侵权或不适当内容,请与我们联系,我们立即纠正。