

作品包括:
Word版设计说明书1份
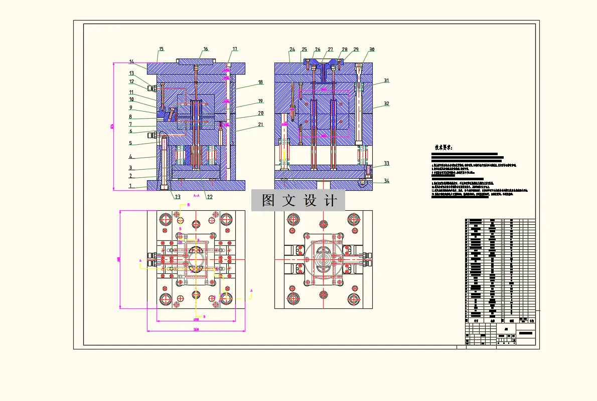
CAD版本图纸,共7张
摘要
伴随着工业生产的加速发展,相应的对注塑模具设计的要求也愈发严格,故设计出满足我们在日常中实际生产需要的模具尤为重要。本课题设计了一副中通客车 6121 座椅挂钩的注塑模具,并通过分析注塑件的可加工性,即工艺性,包括材料形状和结构,确立了注塑模具的设计方案。此设计过程中,我们首先对座椅挂钩进行了简单的分析,然后完成了注模浇注系统,侧抽芯机构和脱模机构的设计。 最后,改进了模具的冷却系统和其他相关结构,这其中还对型芯型腔的结构尺寸进行了设计计算,确保整个模具设计过程的标准性与合理性。通过对座椅挂钩注塑模具的设计,全面完整地了解到一套模具的设计制造原理,过程以及方法。所以在选择模架的时候,选用了三板模细水口模架,在本次设计过程中,运用大学时期所掌握的 CAD 计算机软件辅助设计,高效的完成了模具装配图和模具零件图的绘制,顺利的完成本次设计任务。
温馨提示:
1、题目前面的备注【字母数字编号】为本站整理分类的编号,与课题内容无关,请选题时忽视;
2、若题目上备注三维,则表示文件里包含三维源文件,由于三维组成零件数量较多,为保证预览截图的简洁性,本站将三维文件夹进行了打包。三维及CAD预览截图,均为本站电脑打开软件进行截图的,保证能够打开,下载原件超高清,下载后解压即可;
3、本站所有资源如无特殊说明,都需要本地电脑安装Office2007。图纸软件为AutoCAD,PROE,UG,SolidWorks,CATIA等;
4、本站所有图文资料仅供用户学习参考,不作为任何商用或其他用途;
5、本站不保证下载资源的准确性、安全性和完整性, 不包修改,不支持退换,同时也不承担用户因使用这些下载资源对自己和他人造成任何形式的伤害或损失;
6、 下载文件中如有侵权或不适当内容,请与我们联系,我们立即纠正。