

作品包括:
Word版设计说明书1份
CAD版本图纸,共16张
摘要
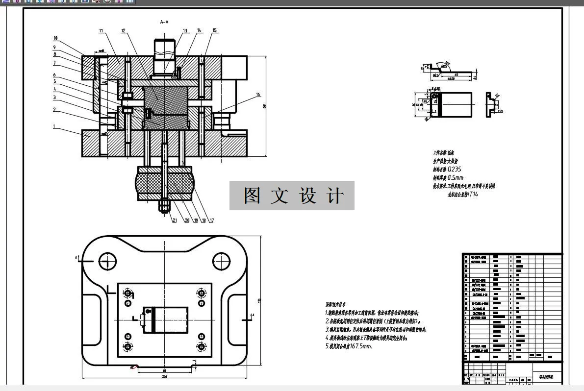
课题零件为钣金成型零件,有冲孔、落料、弯曲等工艺构成,金属材料为Q235钢材,零件图纸未标注公差尺寸的上下极限偏差按照IT14进行,零件要求大批量,首先分析零件可采用单工序冲裁、复合冲裁、多工位级进冲裁,将其几种方案对比,考虑模具制造成本、设计周期、生产精度,这次的模具设计为了保证冲裁件的表面质量,防止冲裁件弯曲后的回弹,分别采用了冲孔落料复合模具、弯曲单工序模具1460307
温馨提示:
1、题目前面的备注【字母数字编号】为本站整理分类的编号,与课题内容无关,请选题时忽视;
2、若题目上备注三维,则表示文件里包含三维源文件,由于三维组成零件数量较多,为保证预览截图的简洁性,本站将三维文件夹进行了打包。三维及CAD预览截图,均为本站电脑打开软件进行截图的,保证能够打开,下载原件超高清,下载后解压即可;
3、本站所有资源如无特殊说明,都需要本地电脑安装Office2007。图纸软件为AutoCAD,PROE,UG,SolidWorks,CATIA等;
4、本站所有图文资料仅供用户学习参考,不作为任何商用或其他用途;
5、本站不保证下载资源的准确性、安全性和完整性, 不包修改,不支持退换,同时也不承担用户因使用这些下载资源对自己和他人造成任何形式的伤害或损失;
6、 下载文件中如有侵权或不适当内容,请与我们联系,我们立即纠正。