

作品包括:
Word版设计说明书1份
CAD版本图纸,共11张
UG三维图一套
摘要
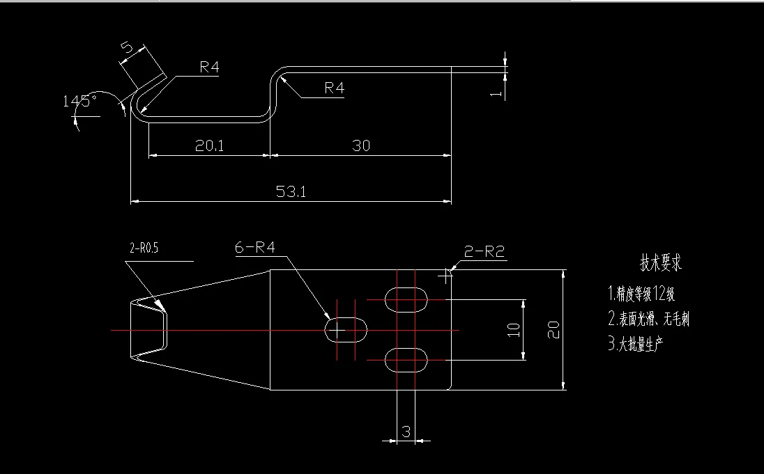
本文研究的是泵盖的注塑成型。首先分析产品的成型工艺,然后根据产品结构,设计如何分型,及型腔数目,进胶方式。过程中要充分考虑到零件的加工方法,尽量简便精准,并进行相关尺寸的计算和校核,再设计浇注系统,冷却系统,排气系统,脱模机构,导向机构,以及模架的选择。通过CAD,UG ,等软件辅助分析设计是否合理,选择合理的工艺参数和设计方案。
温馨提示:
1、题目前面的备注【字母数字编号】为本站整理分类的编号,与课题内容无关,请选题时忽视;
2、若题目上备注三维,则表示文件里包含三维源文件,由于三维组成零件数量较多,为保证预览截图的简洁性,本站将三维文件夹进行了打包。三维及CAD预览截图,均为本站电脑打开软件进行截图的,保证能够打开,下载原件超高清,下载后解压即可;
3、本站所有资源如无特殊说明,都需要本地电脑安装Office2007。图纸软件为AutoCAD,PROE,UG,SolidWorks,CATIA等;
4、本站所有图文资料仅供用户学习参考,不作为任何商用或其他用途;
5、本站不保证下载资源的准确性、安全性和完整性, 不包修改,不支持退换,同时也不承担用户因使用这些下载资源对自己和他人造成任何形式的伤害或损失;
6、 下载文件中如有侵权或不适当内容,请与我们联系,我们立即纠正。