

作品包括:
Word设计说明书1份
CAD版本图纸,共10张
UG三维图一份
摘要
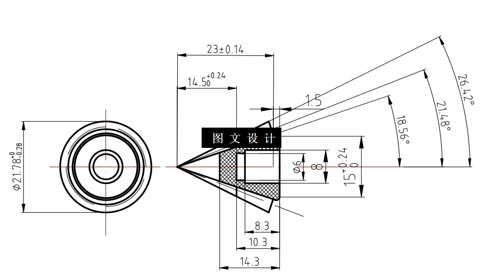
本次课题的目的是设计一副注射模具来生产锥齿轮,从而实现大批量自动化生产。经过查找资料且对此塑件进行结构与工艺分析,决定采用注射模。本次设计以分析锥齿轮的工艺性与相应的模具结构为基础,对模具的成型零部件、注塑模推出机构、加热与冷却系统、浇注系统、排气系统、支承零部件的选择、注射机的选择以及相关参数的校核等都有着全面的计算过程。设计中主要运用UG与CAD软件对锥齿轮的三维模型与模具的装配图与零件图进行绘制,不但提高了工作效率且大幅度缩减了设计的工作时长,且能对软件熟练操作。此次设计过程表明该模具能够达到锥齿轮所要求的加工工艺。
温馨提示:
1、题目前面的备注【字母数字编号】为本站整理分类的编号,与课题内容无关,请选题时忽视;
2、若题目上备注三维,则表示文件里包含三维源文件,由于三维组成零件数量较多,为保证预览截图的简洁性,本站将三维文件夹进行了打包。三维及CAD预览截图,均为本站电脑打开软件进行截图的,保证能够打开,下载原件超高清,下载后解压即可;
3、本站所有资源如无特殊说明,都需要本地电脑安装Office2007。图纸软件为AutoCAD,PROE,UG,SolidWorks,CATIA等;
4、本站所有图文资料仅供用户学习参考,不作为任何商用或其他用途;
5、本站不保证下载资源的准确性、安全性和完整性, 不包修改,不支持退换,同时也不承担用户因使用这些下载资源对自己和他人造成任何形式的伤害或损失;
6、 下载文件中如有侵权或不适当内容,请与我们联系,我们立即纠正。