

作品包括:
Word版设计说明书1份,共31页,约12000字
CAD版本图纸,共4张
UG三维图一份

摘 要
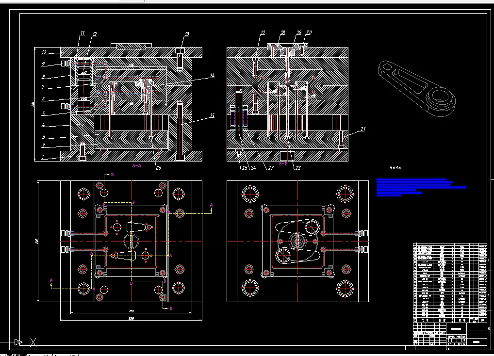
本课题主要是设计曲柄注塑模设计,通过对塑件的工艺性以及产品的外形进行分析,并利用相关软件绘制装配图和注塑模具型芯、型腔及重要零部件零件图。本说明书以图文结合的形式,对浇注系统、分型面、模具成型部分的结构、推出机构、冷却系统都有了较详细的论述。最后对有关参数的校核也有详细的计算。
关键字:浇注系统,推出机构,型芯,型腔。
目 录
目 录 1
摘 要 I
第一章 绪 论 1
1.1课题背景 1
1.2设计的目的及意义 1
第二章 塑件成型工艺性分析 2
2.1 ABS的基本性能与成型特点 2
2.3塑件结构分析 3
2.4塑件的精度分析 4
2.5注塑机的选择 5
第三章 分型面的选择和浇注系统的设计 6
3.1型腔的分布 6
3.2分型面的选择 6
3.3浇注系统设计 7
3.4排气系统的设计 12
第四章 成型零件的设计及尺寸计算 12
4.1成型零件的结构设计 13
4.2成型零件工作尺寸的计算 14
第五章 推出机构的设计 16
5.1推出力的计算 16
5.2推出机构的选择及位置的确定 17
5.3推出机构的导向与复位 17
第六章 结构零件的设计 18
6.1模架和标准件的选用 18
6.2支成零部件的设计 19
6.3合模导向机构的设计 19
第七章 温度调节系统的设计 22
7.1冷却回路尺寸的确定和布置 22
第八章 主要参数的校核 25
8.1注射压力的校核 25
8.2锁模力的校核 25
8.3注射量的校核 26
8.4 模具安装部分的校核 26
8.5模具开模行程的校核 26
第九章 模具的试模与修模 27
9.1 模具总装图及模具的装配 27
结 论 28
参考文献 29
温馨提示:
1、题目前面的备注【字母数字编号】为本站整理分类的编号,与课题内容无关,请选题时忽视;
2、若题目上备注三维,则表示文件里包含三维源文件,由于三维组成零件数量较多,为保证预览截图的简洁性,本站将三维文件夹进行了打包。三维及CAD预览截图,均为本站电脑打开软件进行截图的,保证能够打开,下载原件超高清,下载后解压即可;
3、本站所有资源如无特殊说明,都需要本地电脑安装Office2007。图纸软件为AutoCAD,PROE,UG,SolidWorks,CATIA等;
4、本站所有图文资料仅供用户学习参考,不作为任何商用或其他用途;
5、本站不保证下载资源的准确性、安全性和完整性, 不包修改,不支持退换,同时也不承担用户因使用这些下载资源对自己和他人造成任何形式的伤害或损失;
6、 下载文件中如有侵权或不适当内容,请与我们联系,我们立即纠正。