

作品包括:
Word设计说明书1份,共43页,约14000字
CAD版本图纸,共12张
UG三维图一份
摘要
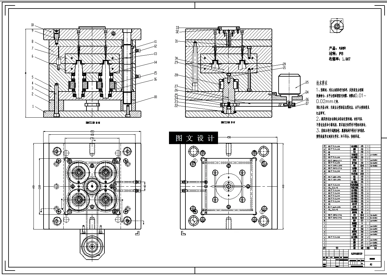
风扇螺母自动脱螺纹注塑模具设计 提供三维(三维有UG8.5格式+STP通用格式)+二维装配图及主要零件图+设计文档( 字数 43页 14304字),本次设计的主要任务是对风扇螺母模具的设计,也就是设计一副注塑模具来生产风扇螺母的塑件产品,以实现自动化提高产量。该课题从产品结构工艺性,具体模具结构出发,对模具的浇注系统、模具成型部分的结构、顶出系统、冷却系统、注塑机的选择及有关参数的校核、都有详细的设计。本次设计的主要难点有:由于塑件为风扇螺母内壁上有螺10mm长螺纹,考虑自动脱螺纹机构,一模4腔。因而模具结构较复杂,采用单点浇口设计。
温馨提示:
1、题目前面的备注【字母数字编号】为本站整理分类的编号,与课题内容无关,请选题时忽视;
2、若题目上备注三维,则表示文件里包含三维源文件,由于三维组成零件数量较多,为保证预览截图的简洁性,本站将三维文件夹进行了打包。三维及CAD预览截图,均为本站电脑打开软件进行截图的,保证能够打开,下载原件超高清,下载后解压即可;
3、本站所有资源如无特殊说明,都需要本地电脑安装Office2007。图纸软件为AutoCAD,PROE,UG,SolidWorks,CATIA等;
4、本站所有图文资料仅供用户学习参考,不作为任何商用或其他用途;
5、本站不保证下载资源的准确性、安全性和完整性, 不包修改,不支持退换,同时也不承担用户因使用这些下载资源对自己和他人造成任何形式的伤害或损失;
6、 下载文件中如有侵权或不适当内容,请与我们联系,我们立即纠正。