

作品包括:
说明书一份,共31页,约8300字
CAD版本图纸,共8张
目 录
摘 要.....................................................1
1. 研究设计题目............................................4
1.1研究分析产品图.......................................4
1.2冲裁件经济性分析.....................................6
2排样设计与计算...........................................6
2.1选择排样方法........................................ 7
2.2确定搭边值...........................................7
2.3计算送料步距与条料宽度...............................8
2.4计算材料利用率.......................................9
2.5画出排样图..........................................10
3.收集设计资料............................................11
3.1抗拉强度............................................11
3.2抗剪强度............................................11
4.工艺参数计算............................................12
4.1凸凹模刃口尺寸......................................12
4.2冲压力计算..........................................12
4.3压力机选择..........................................15
4.4压力中心计算........................................15
4.5冲压工艺分析........................................18
4.6冲压工序的方案确定..................................18
5.冲压模具结构确定........................................19
5.1模具类型的选择......................................19
5.2定位方式的选择......................................19
5.3卸料出件方式的选择..................................19
5.4导向方式的选择......................................19
6模具的装配图.............................................19
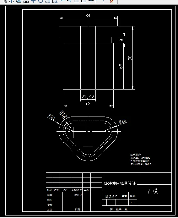
7.工件的零件图绘制及分析...................................20
结论.......................................................28参考文献...................................................29致谢.......................................................30
温馨提示:
1、题目前面的备注【字母数字编号】为本站整理分类的编号,与课题内容无关,请选题时忽视;
2、若题目上备注三维,则表示文件里包含三维源文件,由于三维组成零件数量较多,为保证预览截图的简洁性,本站将三维文件夹进行了打包。三维及CAD预览截图,均为本站电脑打开软件进行截图的,保证能够打开,下载原件超高清,下载后解压即可;
3、本站所有资源如无特殊说明,都需要本地电脑安装Office2007。图纸软件为AutoCAD,PROE,UG,SolidWorks,CATIA等;
4、本站所有图文资料仅供用户学习参考,不作为任何商用或其他用途;
5、本站不保证下载资源的准确性、安全性和完整性, 不包修改,不支持退换,同时也不承担用户因使用这些下载资源对自己和他人造成任何形式的伤害或损失;
6、 下载文件中如有侵权或不适当内容,请与我们联系,我们立即纠正。