

作品包括:
Word版设计说明书1份
CAD版本图纸,共7张
摘要
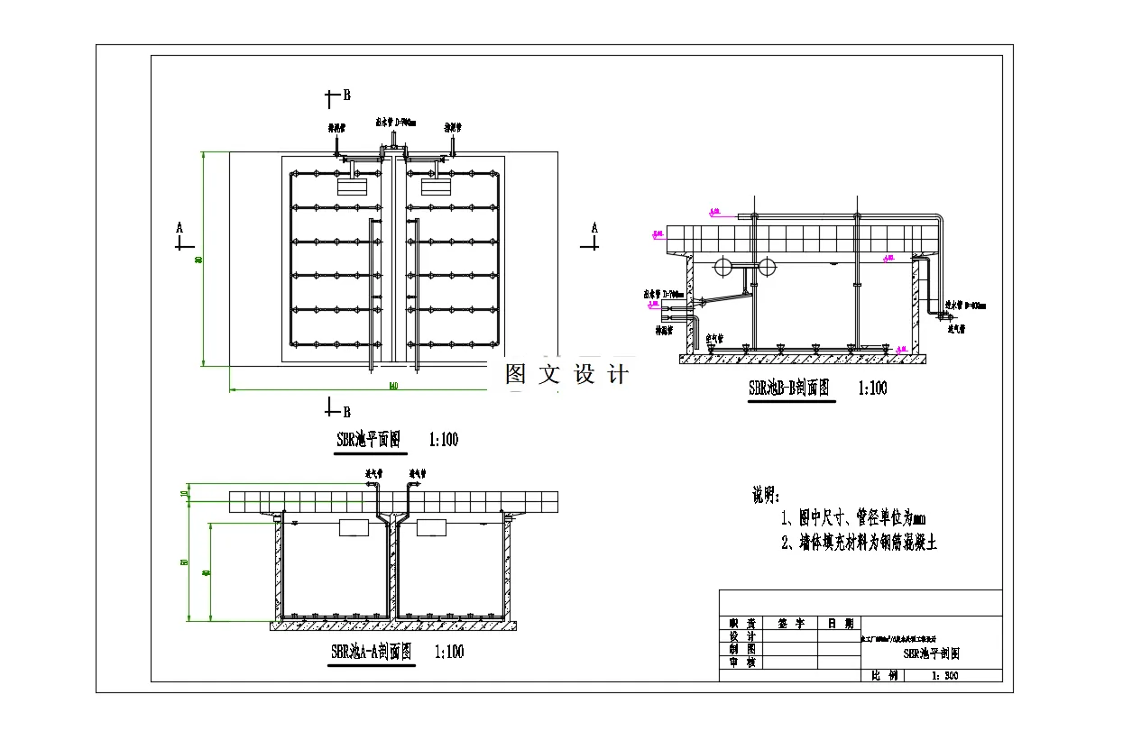
长沙五洲化工企业是大型化工原料制造和制造工业基地。为了保护黄静,环保局领导决定准备污水处理项目,将污水处理达标后排放。污水主要来源于化工产品生产过程中排放出来的废水。在本设计中,采取的主要污水处理工艺为序批式活性污泥法,通常称为SBR,它是一种活性污泥废水处理技术。该过程的关键特征是:整个过程中的实际操作是相对有序且间歇的。SBR反应池是它关键之处,该池具有均质,一次沉降,生物降解和二次沉降功能,池中没有污泥回流系统。非常适合间歇排污,总流量变化较大的废水处理项目,在国内得到了广泛的应用。
温馨提示:
1、题目前面的备注【字母数字编号】为本站整理分类的编号,与课题内容无关,请选题时忽视;
2、若题目上备注三维,则表示文件里包含三维源文件,由于三维组成零件数量较多,为保证预览截图的简洁性,本站将三维文件夹进行了打包。三维及CAD预览截图,均为本站电脑打开软件进行截图的,保证能够打开,下载原件超高清,下载后解压即可;
3、本站所有资源如无特殊说明,都需要本地电脑安装Office2007。图纸软件为AutoCAD,PROE,UG,SolidWorks,CATIA等;
4、本站所有图文资料仅供用户学习参考,不作为任何商用或其他用途;
5、本站不保证下载资源的准确性、安全性和完整性, 不包修改,不支持退换,同时也不承担用户因使用这些下载资源对自己和他人造成任何形式的伤害或损失;
6、 下载文件中如有侵权或不适当内容,请与我们联系,我们立即纠正。