

作品包括:
Word版设计说明书1份,共38页,约15000字
CAD版本图纸,共4张
UG三维图一份
![1735718298659005.png 5G94R8Y@5W6(%Q2]W$96Y16.png](/uploadfiles/20250101/1735718298659005.png)
摘 要
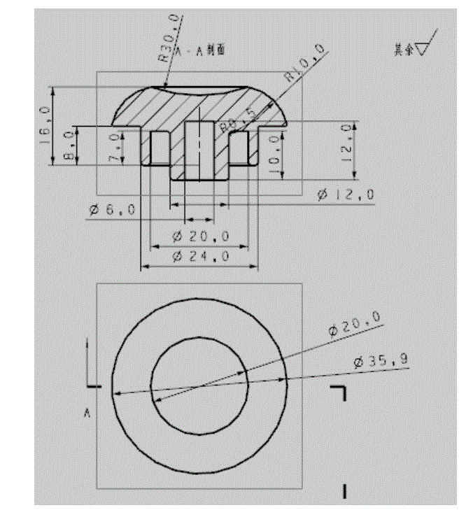
根据冰箱调温按钮塑料制品的要求,了解塑件的用途,分析塑件的工艺性、尺寸精度等技术要求,选择塑件制件尺寸。本模具采用一模四腔,潜浇口进料,注射机采用海天80XC型号,设置冷却系统,CAD和UG绘制二维总装图和零件图,选择模具合理的加工方法。附上说明书,系统地运用简要的文字,简明的示意图和和计算等分析塑件,从而作出合理的注塑模具设计。
关键词:冰箱调温按钮;一模四腔;潜浇口进料;注射机,注塑模具
目 录
摘 要 I
Abstract II
第1章 绪论 1
1.1 塑料简介 1
1.2 注塑成型及注塑模 1
第2章 塑料材料分析 4
2.1 塑料材料的基本特性 4
2.2 塑件材料成型性能 4
2.3 塑件材料主要用途 5
第3章 塑件的工艺分析 6
3.1 塑件的结构设计 6
3.2 塑件尺寸及精度 8
3.3 塑件表面粗糙度 8
3.4 塑件的体积和质量 8
第4章 注射成型工艺方案及模具结构的分析和确定 9
4.1 注射成型工艺过程分析[5] 9
4.2 浇口种类的确定 10
4.3 型腔数目的确定 10
4.4 注射机的选择和校核 10
第5章 注射模具结构设计 14
5.1 分型面的设计 14
5.2 型腔的布局 14
5.3 浇注系统的设计 15
5.4 注射模成型零部件的设计[7] 20
5.5 排气结构设计 22
5.6 脱模机构的设计 24
5.7 注射模温度调节系统 25
5.8 模架的选用 27
第6章 模具材料的选用 30
6.1 成型零件材料选用 30
6.2 注射模用钢种 30
总结 31
致谢 33
温馨提示:
1、题目前面的备注【字母数字编号】为本站整理分类的编号,与课题内容无关,请选题时忽视;
2、若题目上备注三维,则表示文件里包含三维源文件,由于三维组成零件数量较多,为保证预览截图的简洁性,本站将三维文件夹进行了打包。三维及CAD预览截图,均为本站电脑打开软件进行截图的,保证能够打开,下载原件超高清,下载后解压即可;
3、本站所有资源如无特殊说明,都需要本地电脑安装Office2007。图纸软件为AutoCAD,PROE,UG,SolidWorks,CATIA等;
4、本站所有图文资料仅供用户学习参考,不作为任何商用或其他用途;
5、本站不保证下载资源的准确性、安全性和完整性, 不包修改,不支持退换,同时也不承担用户因使用这些下载资源对自己和他人造成任何形式的伤害或损失;
6、 下载文件中如有侵权或不适当内容,请与我们联系,我们立即纠正。