

作品包括:
Word版说明书1份,共48页,约15000字
工艺卡片9张
工艺过程卡1张
CAD版本图纸,共6张
UG三维图一套
摘 要
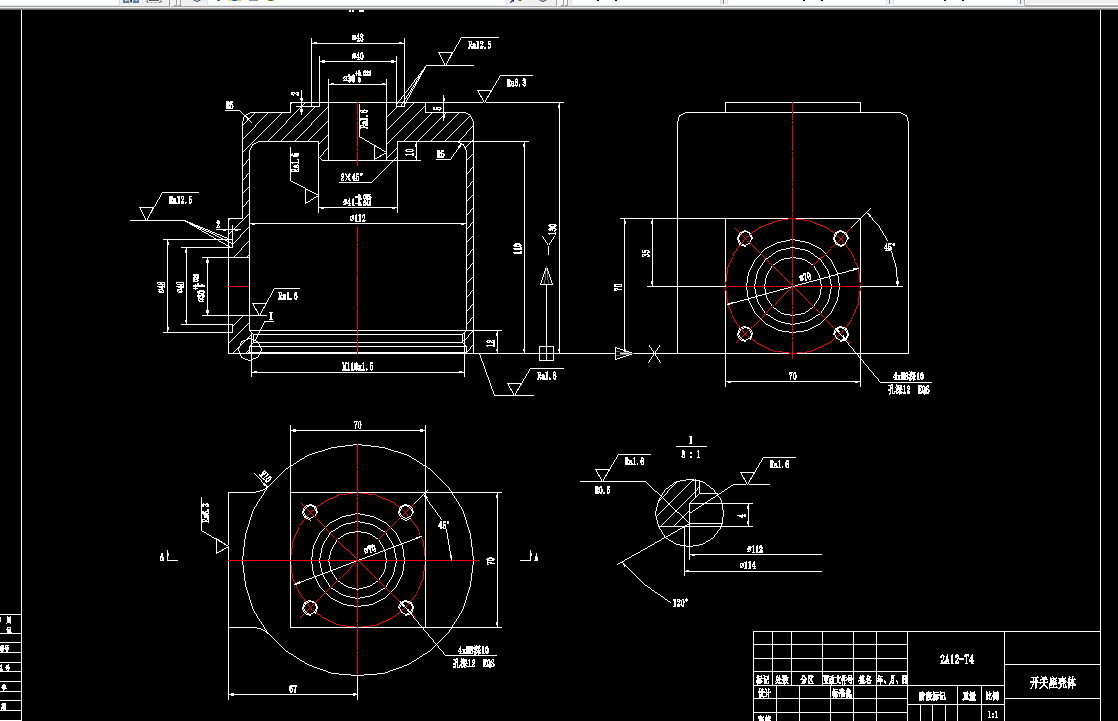
开关座壳体加工工艺规程及其铣顶部70 70端面的夹具设计,包括开关座壳体工艺分析、铣顶部70 70端面夹具设计及UG三维图,现对这三部分分述如下:
1.开关座壳体材料2A12-T4-T4铝合金,中大批量生产,由《机械制造工艺设计简明手册》(以后简称《工艺简明手册》)表1.3-1知,毛坯制造方法为金属型浇注,精度等级CT7~9,加工余量等级F。表1.4-6、1.4-7、1.4-8和2.2-4知,各加工表面的加工余量,加工方法及机床型号,计算各工序工时。
2.开关座壳体铣顶部70 70端面的夹具设计,由工艺路线及《简明机床夹具设计手册》中六点定位原理,选择开关座壳体底部Ф200端面、Ф200外圆及左侧70 70端面定位,对应的定位元件为衬套、固定V型块和光面压块;由开关座壳体零件结构知采用螺旋夹紧机构夹紧工件。
3.开关座壳体UG三维图,依据绘制的二维装配图及《UG2019从入门到精通》,利用UG软件绘制出二维夹具装配图上各零件图,然后利用配合关系把各零件装配在一起。
关键词:开关座壳体;夹具设计;螺旋夹紧机构
目录
摘 要 1
Abstract 2
目录 1
1 零件分析 3
1.1 开关座壳体的结构分析 3
1.2 开关座壳体毛坯制造形式 4
1.3 开关座壳体机械加工余量 4
2工艺规程设计 6
2.1 定位基准的选择 6
2.2 制定加工工艺路线 6
3 选择切削用量、确定时间定额 8
3.1工序03 8
3.2工序04 9
3.3工序05 10
3.4工序06 13
3.5工序07 19
3.6工序08 23
3.7工序09 27
3.8工序10 33
3.9工序11 36
4 铣床夹具设计 37
4.1 问题的提出 37
4.2夹具定位分析 37
4.3 定位误差分析 39
4.4 铣削力和夹紧力计算 41
4.4.1计算铣削力 41
4.4.2计算螺旋夹紧机构夹紧力 42
4.5.3 对刀装置 43
结 论 45
致 谢 46
参考文献 47
温馨提示:
1、题目前面的备注【字母数字编号】为本站整理分类的编号,与课题内容无关,请选题时忽视;
2、若题目上备注三维,则表示文件里包含三维源文件,由于三维组成零件数量较多,为保证预览截图的简洁性,本站将三维文件夹进行了打包。三维及CAD预览截图,均为本站电脑打开软件进行截图的,保证能够打开,下载原件超高清,下载后解压即可;
3、本站所有资源如无特殊说明,都需要本地电脑安装Office2007。图纸软件为AutoCAD,PROE,UG,SolidWorks,CATIA等;
4、本站所有图文资料仅供用户学习参考,不作为任何商用或其他用途;
5、本站不保证下载资源的准确性、安全性和完整性, 不包修改,不支持退换,同时也不承担用户因使用这些下载资源对自己和他人造成任何形式的伤害或损失;
6、 下载文件中如有侵权或不适当内容,请与我们联系,我们立即纠正。