

作品包括:
Word版说明书1份,共50页,约17000字
工艺卡片18张
工艺过程卡1张
CAD版本图纸,共9张
SW三维图一套
![1697626568465509.png [PM)}WXHV]V7$([0TVF$HDH.png](/uploadfiles/20231018/1697626568465509.png)
摘 要
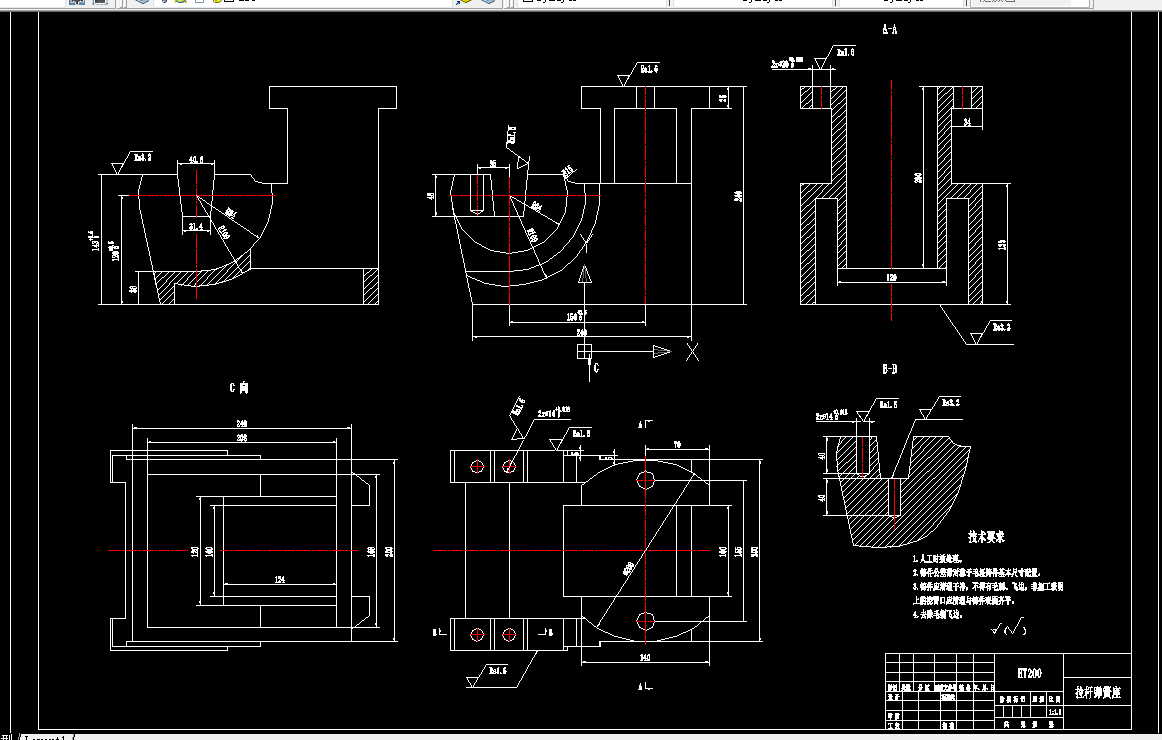
本文所分析的工件为拉杆弹簧座,该拉杆弹簧座铣、钻、扩和铰几个工序。而且结构较为简单,为了能够选择出合适的夹具,必须对工件的结构进行详细的分析。经过具体的分析,确定选择铣平面夹具进行设计。在此之后,需要设计定位方案,定位方案设计是专用夹具设计的基础。拉杆弹簧座零件机械加工工艺过程及粗铣2×Ф14孔端面的夹具设计。
粗铣2×Ф14孔端面夹具,铣床有立式和卧式之分,而常见铣床为立式,从拉杆弹簧座加工位置,设计夹具所选用的机床为立式铣床,定位位置为底面、右端面和R64端面,定位方案采用两个支承板180×32×20、两个A型支承钉A20×10和一个支承板120×32×20,夹紧方案为A型光面压块、螺杆、衬套和滚花螺母等组成,导向为圆形对刀块、平塞尺等组成。
关键词: 拉杆弹簧座;铣床夹具;加工工艺;支承板
目 录
摘 要 I
Abstract II
1 绪 论 4
1.1 选题的意义与目的 4
1.2 文献综述 4
1.3 研究现状 5
1.4 设计思路与创新思路 6
2 拉杆弹簧座的分析 8
2.1拉杆弹簧座零件的分析 8
2.2加工工艺要求 8
2.3定位的基面 9
2.3.1粗基准的选择原则 9
2.3.2精基准的选择原则 10
2.4零件的生产纲领确定 10
2.5拉杆弹簧座的毛坯的确定 11
2.6加工工艺路线的制定 12
2.6.1工序工步的划分原则 12
2.6.2零件的加工工艺加工阶段的划分 13
2.6.3加工工艺路线方案的确定 15
3 拉杆弹簧座零件切削用量和基本工时的确定 17
3.1工序03 17
3.2工序04 18
3.3工序05 19
3.4工序06 20
3.5工序07 21
3.6工序08 21
3.7工序09 25
3.8工序10 28
3.9工序11 32
3.10工序12 33
3.11工序13 34
3.12工序14 35
3.13工序15 36
3.14工序16 37
3.15工序18 38
3.16工序19 39
3.17工序20 40
3.18工序21 41
4 铣平面夹具设计 42
4.1选择定位基准 42
4.2夹紧方案的确定 42
4.3切削力和夹紧力计算 43
4.4 分析定位误差 43
4.5夹具体的设计 44
4.6铣夹具的说明 44
5 结 论 46
参考文献 47
致 谢 48
温馨提示:
1、题目前面的备注【字母数字编号】为本站整理分类的编号,与课题内容无关,请选题时忽视;
2、若题目上备注三维,则表示文件里包含三维源文件,由于三维组成零件数量较多,为保证预览截图的简洁性,本站将三维文件夹进行了打包。三维及CAD预览截图,均为本站电脑打开软件进行截图的,保证能够打开,下载原件超高清,下载后解压即可;
3、本站所有资源如无特殊说明,都需要本地电脑安装Office2007。图纸软件为AutoCAD,PROE,UG,SolidWorks,CATIA等;
4、本站所有图文资料仅供用户学习参考,不作为任何商用或其他用途;
5、本站不保证下载资源的准确性、安全性和完整性, 不包修改,不支持退换,同时也不承担用户因使用这些下载资源对自己和他人造成任何形式的伤害或损失;
6、 下载文件中如有侵权或不适当内容,请与我们联系,我们立即纠正。