

作品包括:
Word版说明书1份,共30页,约11000字
开题报告一份
CAD版本图纸,共10张

摘要
我们中国属于农业生产制造的最大的国家,伴随我们国家科技技术的飞速的发展,技术领域的不断的创新,农业相关的机器设备加工制造技术显得十分的重要。我们国家有大面积花生种植,之后采摘的花生要进行脱壳作业的处理,之后进行外卖。本文的基本研究设计在老师指导下决定研究的刮板式花生脱壳机脱壳装置,基本目的在于为了能够有效的提高脱壳作业的的基本效率,有效的降低操作着整体的作业的强度大校本文开发研究的花生的脱壳机机器设备里面脱壳作业装置,是基于刮板类型予以研究的[4-5],刮板类型的花生脱壳作业机器设备综合了打击类型的脱壳作业和挤搓作业的脱壳装置的基本特点,更能够有效的简单十分高效率的完成花生的脱壳作业。本文研究第一分析本课题研究的基本意义以及国内外的相关的发展情况,确定本文的基本研究方面的内容;之后有效的确定驱动作业的基本方案以及整体方面的结构设计;最后对刮板类型的花生的脱壳机机器设备关键零部件予以了设计求解。
关键词:花生;刮板式;脱壳机;驱动
目录
摘要I
Abstract II
1绪论1
1.1课题研究的目的和意义1
1.2国内外的研究分析的现状2
1.2.1国内的基本研究现状2
1.2.2国外的基本研究现状2
1.3本文主要的研究内容3
2花生的脱壳机机器设备机器设备基本方案的确认3
2.1驱动方案的确认3
2.1.1液压类型的驱动机构4
2.1.2气压类型的驱动机构4
2.1.3电动机类型的驱动机构5
2.2刮板式花生的脱壳机机器设备脱壳原理5
2.3风机结构部件分离装置的设计6
2.4整机的基本结构方案确认7
3刮板式花生的脱壳机机器设备主要零部件的设计求解9
3.1参数大小的确定9
3.1.1刮板结构部件的半径大小及转速大小确定9
3.1.2刮板结构部件所需功率大小求解10
3.1.3传动结构的分析10
3.1.4传动机构的选择11
3.2电机结构部件与轴结构部件之间的V带类型的传动作业设计11
3.2.1 V带类型的传送求解11
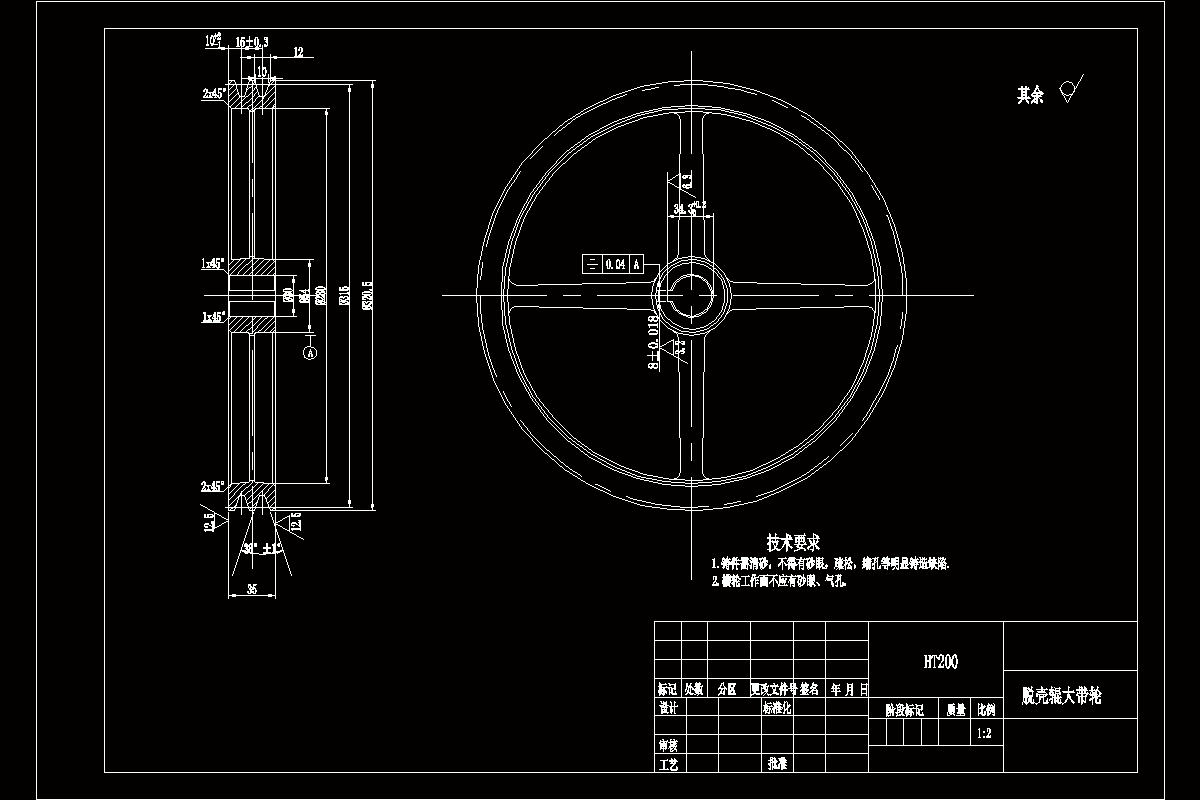
3.2.2 V带轮结构部件的设计13
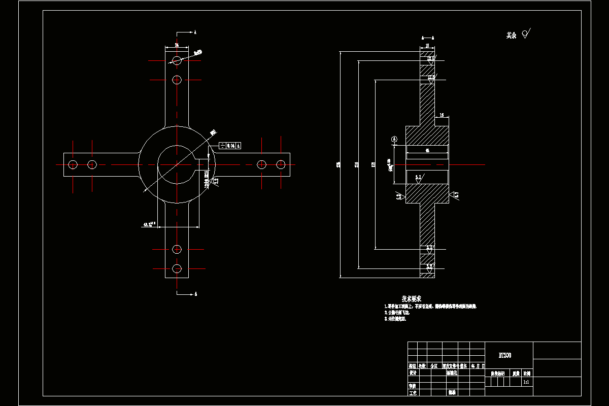
3.3主轴的设计及参数求解14
3.4轴承结构部件和键零件的选择17
3.4.1轴承结构部件的选择17
3.4.2键零件的选择18
3. 5刮板结构部件结构设计19
3.6半栅筛结构部件的设计20
4料斗结构部件的三维建模22
5总结24
参考文献25
致谢26
温馨提示:
1、题目前面的备注【字母数字编号】为本站整理分类的编号,与课题内容无关,请选题时忽视;
2、若题目上备注三维,则表示文件里包含三维源文件,由于三维组成零件数量较多,为保证预览截图的简洁性,本站将三维文件夹进行了打包。三维及CAD预览截图,均为本站电脑打开软件进行截图的,保证能够打开,下载原件超高清,下载后解压即可;
3、本站所有资源如无特殊说明,都需要本地电脑安装Office2007。图纸软件为AutoCAD,PROE,UG,SolidWorks,CATIA等;
4、本站所有图文资料仅供用户学习参考,不作为任何商用或其他用途;
5、本站不保证下载资源的准确性、安全性和完整性, 不包修改,不支持退换,同时也不承担用户因使用这些下载资源对自己和他人造成任何形式的伤害或损失;
6、 下载文件中如有侵权或不适当内容,请与我们联系,我们立即纠正。