

作品包括:
Word版说明书1份,共44页,约14000字
CAD版本图纸,共10张
SW三维图一套
仿真动画视频一份
PLC程序一份

摘 要
裁切机是一种自动化的机器,是用来代替传统的人工裁剪的,把裁剪的速度、工作的质量、裁剪的效率都能大大提升,从整个缝制设备行业来看,属于很重要的一种缝前机器,在服装厂是常常用到的。
这次设计的是地毯裁切机,它的核心元件是滚珠丝杠。机器里面有XY两个轴,传动系统的主要部分是电动机、滚珠丝杠、联轴器、导轨等。装的裁刀是震动式的;系统还装了纠偏装置,可以避免送料的时候地毯移位,这样裁出来也东西也不符合要求;我们根据地毯裁切机的理论原则,先确认了伺服进给传动系统的相关方案,定出机器的设计精度;接着对地毯裁切机XY轴的滚珠丝杠进行相关计算,并确定出最合适的型号、选出滚珠丝杠支承轴承的型号,决定出进给传动系统以及相关元器件型号,校验传动系统的刚度、惯量匹配大小是否符合条件;继续按要求选出伺服电动机、联轴器、导轨等并进行相关验证,最后借助PLC把控制系统全部设计出来。
关键词:自动化;地毯裁切机;滚珠丝杠;传动系统;控制系统
目录
摘 要 I
Abstract II
1 绪论 1
1.1课题的意义 1
1.2国内外地毯裁切机的研究现状 1
1.3 设计的内容和目的 3
2 地毯裁切机结构的总体方案设计 4
2.1 驱动方案的确认 4
2.1.1 液压驱动 4
2.1.2 气压驱动 4
2.1.3 电动机驱动 5
2.1.4 方案的确认 5
2.2总体方案确定 5
2.3 各个机构说明 6
2.3.1机架单元 6
2.3.2 人机控制系统 7
2.3.3 裁切横移模组 8
2.3.5 裁切刀装置 8
2.3.6 纠偏装置 9
2.4本章小结 10
3 地毯裁切机整体设计计算 11
3.1 拟定技术参数 11
3.2 滚珠丝杠的计算及选择 11
3.3 滚珠丝杠支承轴承的选择 14
3.4 滚珠丝杠的校核 15
3.4.1 临界压缩负荷 16
3.4.2 临界转速 17
3.4.3 滚珠丝杠拉压振动与扭转振动的固有频率 17
3.4.4 滚珠丝杠扭转刚度 19
3.4.5 滚珠丝杠传动精度计算 20
3.5 滚珠丝杠进给传动系统变形计算 21
3.6 伺服电机的选择与计算 23
3.7 联轴器的选择 26
3.8 X轴传动机构的设计 27
4 地毯裁切机控制系统硬件设计 28
4.1 PLC控制系统结构组成 28
4.2 PLC和I/O扩展模块的选型 28
4.3 两轴原点位置光电开关 28
4.4 PLC I/0的分配 28
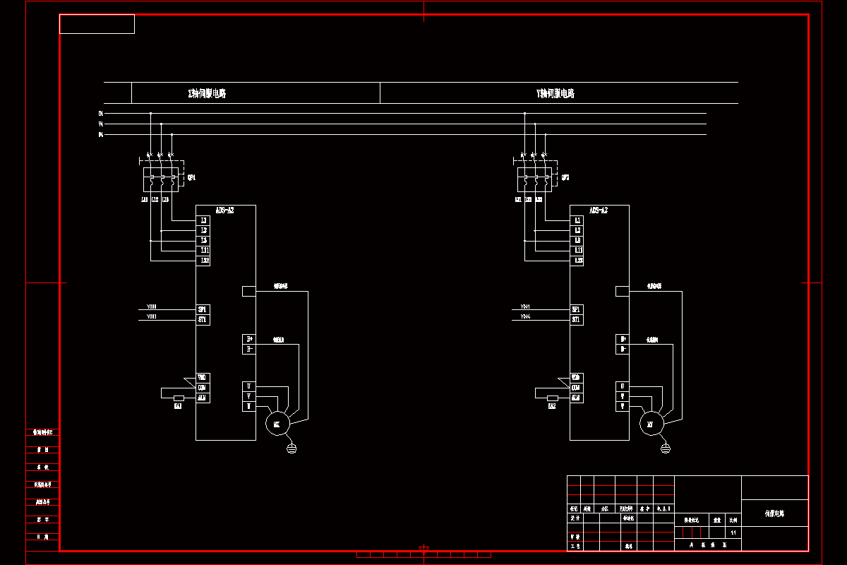
4.5伺服电气图 29
4.6 PLC输入、输出电路 30
5 系统软件设计 32
5.1 三菱的GX WORKS2编程软件简介 32
5.2 系统程序设计方法 33
5.2.1 经验设计 33
5.2.2逻辑设计法 33
5.2.3 顺序控制法 33
5.3 PLC控制系统软件程序的编写及说明 34
5.3.1 运行参数设置程序 34
5.3.2 两轴进给手动运行程序 35
5.3.3 上电回原点程序 35
5.3.4 极限位置保护程序 36
5.4 本章小结 37
结 论 38
致 谢 39
参考文献 40
温馨提示:
1、题目前面的备注【字母数字编号】为本站整理分类的编号,与课题内容无关,请选题时忽视;
2、若题目上备注三维,则表示文件里包含三维源文件,由于三维组成零件数量较多,为保证预览截图的简洁性,本站将三维文件夹进行了打包。三维及CAD预览截图,均为本站电脑打开软件进行截图的,保证能够打开,下载原件超高清,下载后解压即可;
3、本站所有资源如无特殊说明,都需要本地电脑安装Office2007。图纸软件为AutoCAD,PROE,UG,SolidWorks,CATIA等;
4、本站所有图文资料仅供用户学习参考,不作为任何商用或其他用途;
5、本站不保证下载资源的准确性、安全性和完整性, 不包修改,不支持退换,同时也不承担用户因使用这些下载资源对自己和他人造成任何形式的伤害或损失;
6、 下载文件中如有侵权或不适当内容,请与我们联系,我们立即纠正。