

作品包括:
Word版设计说明书1份
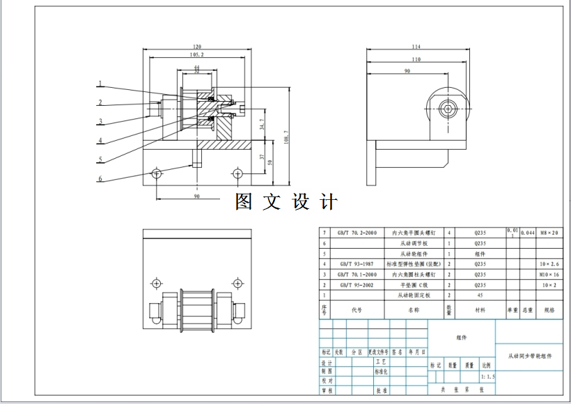
CAD版本图纸,共16张
SW三维图一套
摘要
沙漠化治理也是当今中国水土保持工作的重要环节之一[9],而尼龙网沙障就是利用尼龙网作为一项新的防沙材料的治沙技术。虽然尼龙网沙障的造价相对较高,但是它具有易于工业化生产,施工简便等特点,特别适合矿山、交通、国防等地区。它是一种具有良好防护效果的新型沙障材料,具有广泛的应用前景[14]。但是以往都是通以人工铺设为主,工作量大,速度慢,效率低,成本高,铺设质量差[5]。因此,本文将设计一种尼龙网沙障自动铺设机来提高在沙漠治理和防风固沙等领域中的工作效率和铺设质量。 本课题拟研制一种具有开沟、行走、输送、压网于一体的尼龙网沙障自动铺设机,它能自动铺设尼龙网,提高工作效率,降低人工投入。同时,针对尼龙网沙障自动铺设机的主要零部件进行了强度、耐久性能研究,保证其在苛刻工况下的可靠、稳定运行。本文设计的这种新型尼龙网沙障自动铺设机它既能有效地提高防沙治沙的效率与质量,又能减少工人的劳动强度与费用。
关键词 :尼龙网沙障;实用性;小型机械;防沙治沙
温馨提示:
1、题目前面的备注【字母数字编号】为本站整理分类的编号,与课题内容无关,请选题时忽视;
2、若题目上备注三维,则表示文件里包含三维源文件,由于三维组成零件数量较多,为保证预览截图的简洁性,本站将三维文件夹进行了打包。三维及CAD预览截图,均为本站电脑打开软件进行截图的,保证能够打开,下载原件超高清,下载后解压即可;
3、本站所有资源如无特殊说明,都需要本地电脑安装Office2007。图纸软件为AutoCAD,PROE,UG,SolidWorks,CATIA等;
4、本站所有图文资料仅供用户学习参考,不作为任何商用或其他用途;
5、本站不保证下载资源的准确性、安全性和完整性, 不包修改,不支持退换,同时也不承担用户因使用这些下载资源对自己和他人造成任何形式的伤害或损失;
6、 下载文件中如有侵权或不适当内容,请与我们联系,我们立即纠正。