

作品包括:
Word版设计说明书1份
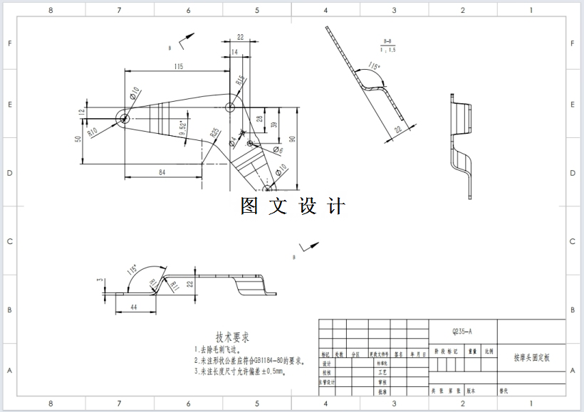
CAD版本图纸,共5张
SW三维图一套
摘要
按摩椅作为一个替代人工进行按摩的机器。大大节省了人们的按摩成本,可以使人们身心放松。但是在我国按摩椅的发展起步较晚不及一些欧美国家,而且当前市场上很多按摩椅的功能是比较单一的,并不能通过每个使用者的实际情况而定。在此本文设计一款电动按摩椅,设计的主要为电动按摩椅的机芯,机芯作为按摩的核心,固然是非常重要的[1]。 本文设计的机芯包含三个机构,分别为顶出机构,揉捏机构和敲打机构,通过这三个机构即可模仿人手的按摩手法,对用户的体验进行提升。本文应用中医和人体工程学的相关知识得出机芯功能和参数的要求,对上述所说的三个子功能机构的零件进行设计。就国内电动按摩椅的研究现状做出分析和总结,指出了国内在按摩椅领域存在的不足之处。确定机芯的结构方案和尺寸参数,对某些结构进行改良。运用中医理论和人体工程学,制定了按摩椅机芯的设计规范,将机芯拆分为三个功能元件,并分别对它们进行设计和与其他方案进行比较,最终建立了三维模型。
关键词:按摩椅 机芯 人体工程学 机械设计
温馨提示:
1、题目前面的备注【字母数字编号】为本站整理分类的编号,与课题内容无关,请选题时忽视;
2、若题目上备注三维,则表示文件里包含三维源文件,由于三维组成零件数量较多,为保证预览截图的简洁性,本站将三维文件夹进行了打包。三维及CAD预览截图,均为本站电脑打开软件进行截图的,保证能够打开,下载原件超高清,下载后解压即可;
3、本站所有资源如无特殊说明,都需要本地电脑安装Office2007。图纸软件为AutoCAD,PROE,UG,SolidWorks,CATIA等;
4、本站所有图文资料仅供用户学习参考,不作为任何商用或其他用途;
5、本站不保证下载资源的准确性、安全性和完整性, 不包修改,不支持退换,同时也不承担用户因使用这些下载资源对自己和他人造成任何形式的伤害或损失;
6、 下载文件中如有侵权或不适当内容,请与我们联系,我们立即纠正。