

作品包括:
说明书一份,32页,月12000字
CAD版本图纸共5张
谐波齿轮减速器的设计
摘 要:谐波传动是五十年代中期出现的一种新型传动,它随着空间技术的发展而迅速发展起来。由于谐波传动具有传动比大、体积小、传动精度高的特点,一开始就被运用在火箭、导弹、卫星等飞行器中,实现了他的优越性。目前这种传动技术已由航天飞行器,飞机中的应用迅速推广到原子能、雷达、通讯、造船、冶金、汽车、坦克、机床、仪表、防止、建筑、起重运输、医疗器械等各个部门。无论是作为数据传递的高精度传动,还是作为传递大转矩的动力传动,都得到了比较满意的效果。特别是,这种传动通过密封壁来传递机械运动,因而它用于操纵高温,高压的管路以及用来驱动工作在高真空,有原子辐射或其他有害介质空间的机构,是现有的其他一切传动所不能比拟的。
关键词:谐波传动,齿轮,减速器
目 录
摘 要 3
1 前言 3
2 传动装置的总体 3
2.1 确定传动方案 3
2.2 传动比的计算及钢轮柔轮的齿数 3
2.3柔轮和刚轮的材料 3
2.3.1 柔轮材料 3
2.3.2 刚轮材料 3
2.3.3 凸轮轮材料 3
2.4波发生器的形式及几何参数,确定原始曲线方程 3
2.5 传动模数的我初步确定 3
3 谐波齿轮减速器的几何计算 3
3.1 选定主要啮合参数( , , , ) 3
3.1.1 基准齿形角 3
3.1.2 变位系数 3
3.1.3 径向变形量系数 3
3.1.4 齿廓工作段高度 3
3.2 柔轮和刚轮的主要几何尺寸 3
3.3 齿廓啮合干涉验算 3
3.4 保证传动正常工作性能的条件 3
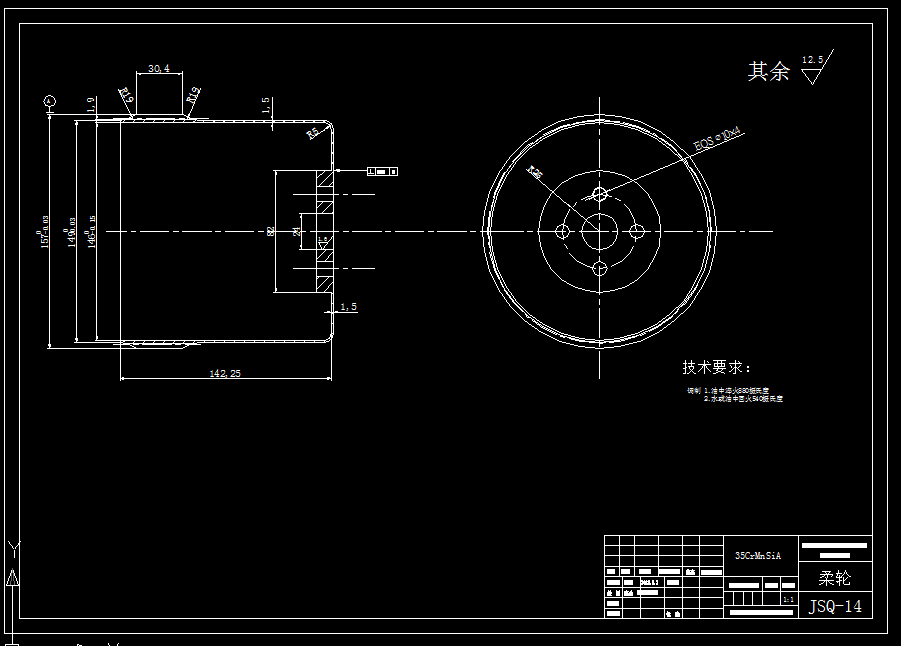
4 柔轮,刚轮和波发生器的结构设计 3
4.1 柔轮和刚轮 3
4.2波发生器 3
4.2.1 柔性轴承的结构 3
4.2.2 保持器 3
5 柔轮的疲劳强度验算与稳定性校核 3
6 柔性轴承的寿命计算 3
7 传动效率估算 3
8 低速轴的设计 3
9 结论 3
参考文献 3
致 谢 3
温馨提示:
1、题目前面的备注【字母数字编号】为本站整理分类的编号,与课题内容无关,请选题时忽视;
2、若题目上备注三维,则表示文件里包含三维源文件,由于三维组成零件数量较多,为保证预览截图的简洁性,本站将三维文件夹进行了打包。三维及CAD预览截图,均为本站电脑打开软件进行截图的,保证能够打开,下载原件超高清,下载后解压即可;
3、本站所有资源如无特殊说明,都需要本地电脑安装Office2007。图纸软件为AutoCAD,PROE,UG,SolidWorks,CATIA等;
4、本站所有图文资料仅供用户学习参考,不作为任何商用或其他用途;
5、本站不保证下载资源的准确性、安全性和完整性, 不包修改,不支持退换,同时也不承担用户因使用这些下载资源对自己和他人造成任何形式的伤害或损失;
6、 下载文件中如有侵权或不适当内容,请与我们联系,我们立即纠正。