

作品包括:
Word版设计说明书1份
PPT答辩一份
CAD版本图纸,共6张
摘要
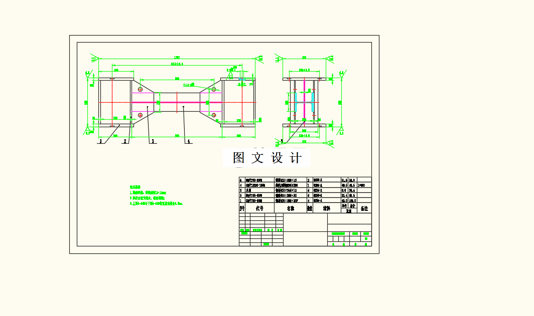
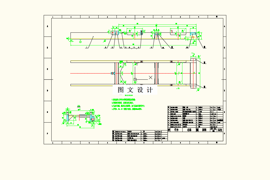
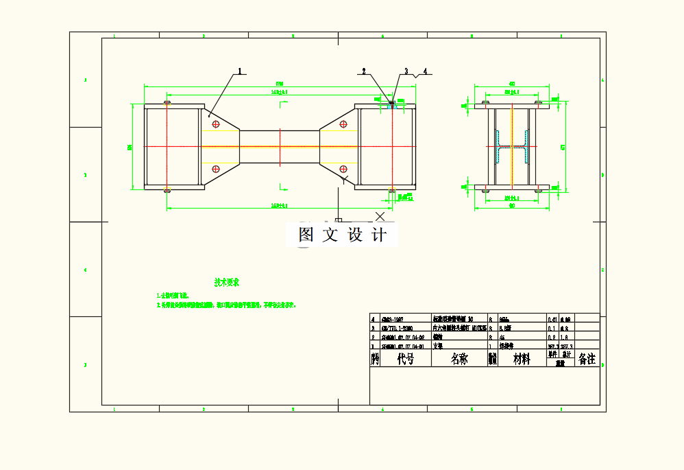
镁合金温轧机组在生产过程中其支撑辊表面容易造成擦伤、磨损,解决办法是将支撑辊系从机架内拖出,更换重磨后的支撑辊。本设计用于轧机的支撑辊换辊,采用“四顶一推”,利用四个轨道升降液压缸顶起机架内轨道,两个支撑辊之间用换辊支架做过渡支撑联结,放置于活动内轨道之上,再用一个长行程液压缸推动活动内轨道连同支撑辊系移出机架并与外轨道对接实现换辊。由于内轨道是活动轨道也是支撑辊系的载重体,故需要对内轨道进行强度和稳定性校核。对与机架外轨道接触的行走车轮的车轴也需进行强度校核。最后还有改进方案的设计。
温馨提示:
1、题目前面的备注【字母数字编号】为本站整理分类的编号,与课题内容无关,请选题时忽视;
2、若题目上备注三维,则表示文件里包含三维源文件,由于三维组成零件数量较多,为保证预览截图的简洁性,本站将三维文件夹进行了打包。三维及CAD预览截图,均为本站电脑打开软件进行截图的,保证能够打开,下载原件超高清,下载后解压即可;
3、本站所有资源如无特殊说明,都需要本地电脑安装Office2007。图纸软件为AutoCAD,PROE,UG,SolidWorks,CATIA等;
4、本站所有图文资料仅供用户学习参考,不作为任何商用或其他用途;
5、本站不保证下载资源的准确性、安全性和完整性, 不包修改,不支持退换,同时也不承担用户因使用这些下载资源对自己和他人造成任何形式的伤害或损失;
6、 下载文件中如有侵权或不适当内容,请与我们联系,我们立即纠正。