

作品包括:
Word版设计说明书1份
外文翻译一份
PPT答辩一份
CAD版本图纸,共7张
摘要
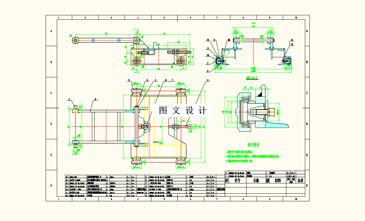
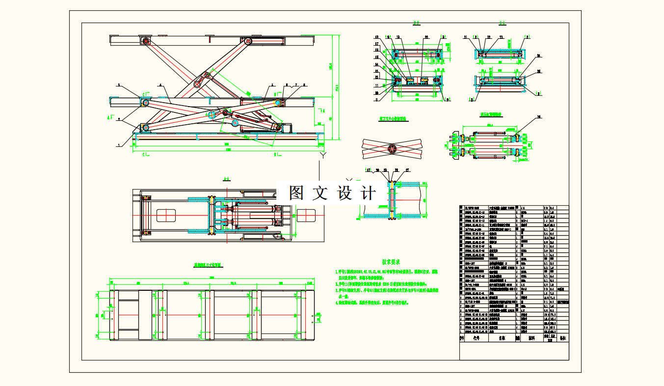
镁及其合金拥有质量小、材料的加工尺寸稳定性高等显著优点。镁及镁合金板带材应用广泛,以前常常用于飞机、卫星、精密的实验设备以及火箭的部分重要零件,目前常常用于轻而小的电子设备以及目前飞速发展的汽车行业当中,开始追求便捷的生活。镁及镁合金板带材的生产过程主要有熔铸和轧制(或称压延)这两个重要的环节。由于熔铸的生产方法处于高温高压的环境下,产品的质量和生产人员的安全都得不到充分的保障。而选择轧制的话,由于其生产工艺技术不够成熟,生产得到的合格品占比较低。这些客观的原因严重延滞了镁及其合金板带材生产技术的发展。 到了二十一世纪初期,我国在自产铝合金板带材方面突飞猛进,在技术方面逼近了全世界的顶尖水平,甚至在某些方面遥遥领先,大大的推动了我国的现代化工业强国的建设。铝带坯连续铸轧机列、高速高精度四辊不可逆铝带冷轧机组的广泛应用,使得传统的铝加工工艺技术发生了革命性变化。使用这种铝带坯连续铸轧机列、高速高精度四辊不可逆铝带冷轧机组使得加工成品率达到95%以上,极高的增长了企业的盈利。镁及镁合金与铝及铝合金都属于轻有色金属,其各方面的性能参数都很接近。因此人们开始从用生产铝合金的方法尝试,创造出属于镁及其合金的板带材加工工艺技术。因此,我们设计小组选择设计四辊可逆高精度镁带温轧机组。
温馨提示:
1、题目前面的备注【字母数字编号】为本站整理分类的编号,与课题内容无关,请选题时忽视;
2、若题目上备注三维,则表示文件里包含三维源文件,由于三维组成零件数量较多,为保证预览截图的简洁性,本站将三维文件夹进行了打包。三维及CAD预览截图,均为本站电脑打开软件进行截图的,保证能够打开,下载原件超高清,下载后解压即可;
3、本站所有资源如无特殊说明,都需要本地电脑安装Office2007。图纸软件为AutoCAD,PROE,UG,SolidWorks,CATIA等;
4、本站所有图文资料仅供用户学习参考,不作为任何商用或其他用途;
5、本站不保证下载资源的准确性、安全性和完整性, 不包修改,不支持退换,同时也不承担用户因使用这些下载资源对自己和他人造成任何形式的伤害或损失;
6、 下载文件中如有侵权或不适当内容,请与我们联系,我们立即纠正。