

作品包括:
Word版设计说明书1份
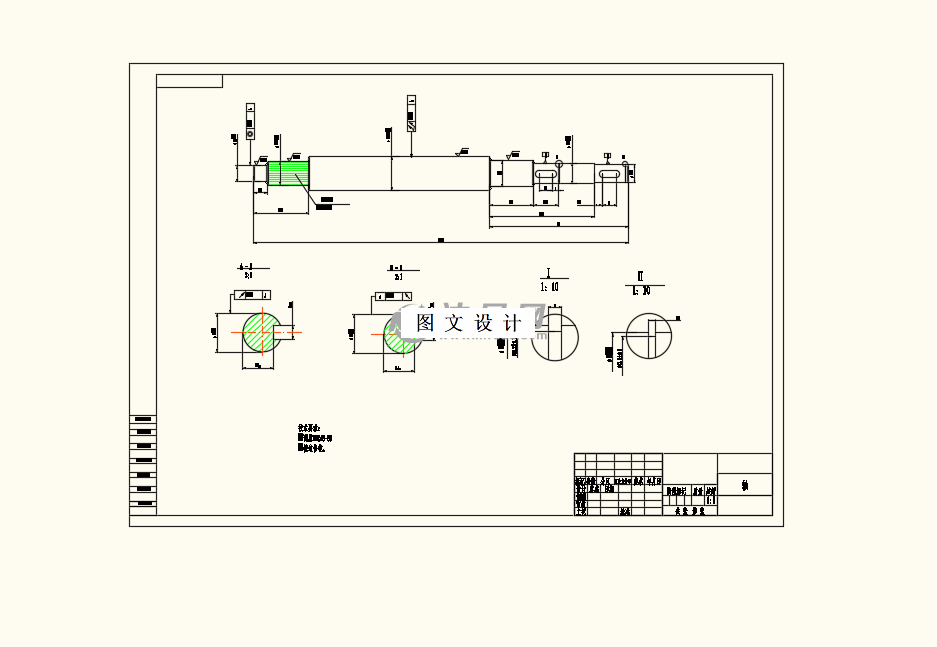
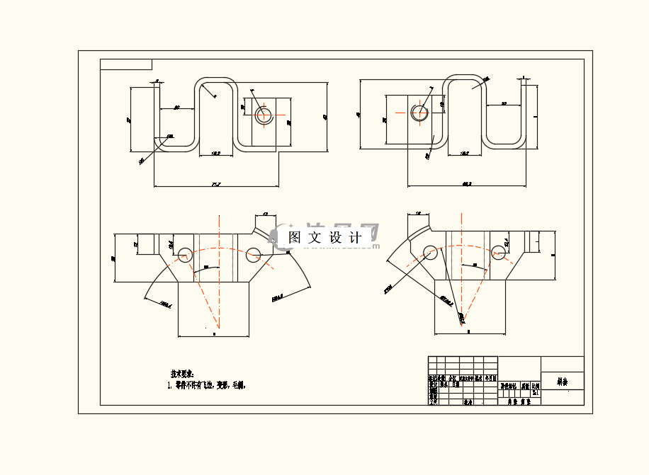
CAD版本图纸,共7张
摘要
无取向硅钢是电机铁芯制作的重要原材料,在各类电机中广泛运用。电机中铁芯的制作需要对无取向硅钢进行冲裁加工。已知冲裁过程中会不可避免的引入残余应力,并导致材料切割边缘织构的变化,这些都会使得硅钢的磁性能下降,电机效率变低。与此同时,已知材料的织构会对其形变后的残余应力分布造成影响。因此,本文主要借助X射线衍射法,研究了材料冲裁前后织构和残余应力的演变情况。在此基础上,分析了冲裁间隙对织构和残余应力演变的影响,也揭示了织构对残余应力演变的影响。
温馨提示:
1、题目前面的备注【字母数字编号】为本站整理分类的编号,与课题内容无关,请选题时忽视;
2、若题目上备注三维,则表示文件里包含三维源文件,由于三维组成零件数量较多,为保证预览截图的简洁性,本站将三维文件夹进行了打包。三维及CAD预览截图,均为本站电脑打开软件进行截图的,保证能够打开,下载原件超高清,下载后解压即可;
3、本站所有资源如无特殊说明,都需要本地电脑安装Office2007。图纸软件为AutoCAD,PROE,UG,SolidWorks,CATIA等;
4、本站所有图文资料仅供用户学习参考,不作为任何商用或其他用途;
5、本站不保证下载资源的准确性、安全性和完整性, 不包修改,不支持退换,同时也不承担用户因使用这些下载资源对自己和他人造成任何形式的伤害或损失;
6、 下载文件中如有侵权或不适当内容,请与我们联系,我们立即纠正。