

作品包括:
Word版设计说明书1份
开题报告一份
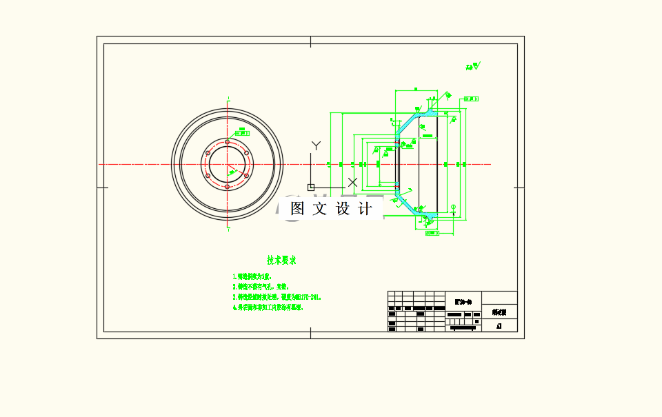
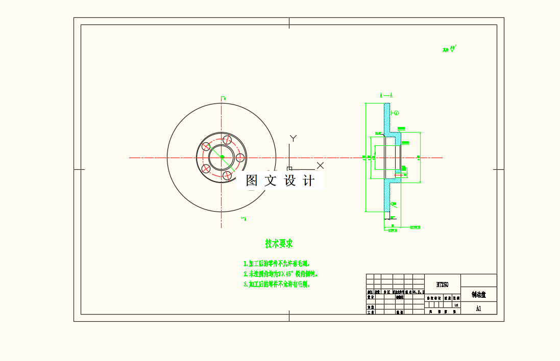
CAD版本图纸,共3张
摘要
随着汽车技术的发展,新能源汽车兴起,纯电动汽车也逐渐发展起来,传统汽车的地位发生变化。纯电动汽车虽有所发展,但其故障诊断技术却跟不上其发展的步伐,传统汽车的故障诊断技术可以说是已经发展成熟,而纯电动汽车的故障诊断技术才刚刚起步,相对于传统汽车来说落后太多。所以本文主要围绕纯电动汽车故障诊断技术展开,剖析故障的原因,阐述其故障诊断的技术方法。 本文首先阐述了纯电动汽车的结构和工作原理及其故障诊断的基本方法,对纯电动汽车的故障进行了分类论述,然后对纯电动汽车典型故障的诊断技术方法进行了分析,最后基于故障诊断的新技术对其发展趋势进行预测。 研究结果表明:纯电动汽车的结构与传统汽车不同,其工作原理也有所区别,其故障表现更加多变,所以其故障诊断的方法也有所变化,对典型故障进行诊断时应选用合适的方法;纯电动汽车今后的发展会趋向自动化和智能化,现在已经出现了一些新技术、新方法。
温馨提示:
1、题目前面的备注【字母数字编号】为本站整理分类的编号,与课题内容无关,请选题时忽视;
2、若题目上备注三维,则表示文件里包含三维源文件,由于三维组成零件数量较多,为保证预览截图的简洁性,本站将三维文件夹进行了打包。三维及CAD预览截图,均为本站电脑打开软件进行截图的,保证能够打开,下载原件超高清,下载后解压即可;
3、本站所有资源如无特殊说明,都需要本地电脑安装Office2007。图纸软件为AutoCAD,PROE,UG,SolidWorks,CATIA等;
4、本站所有图文资料仅供用户学习参考,不作为任何商用或其他用途;
5、本站不保证下载资源的准确性、安全性和完整性, 不包修改,不支持退换,同时也不承担用户因使用这些下载资源对自己和他人造成任何形式的伤害或损失;
6、 下载文件中如有侵权或不适当内容,请与我们联系,我们立即纠正。