

作品包括:
Word版设计说明书1份
CAD版本图纸,共7张
摘要
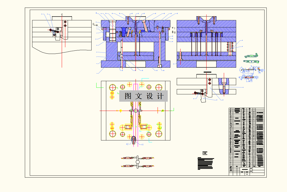
随着工业社会的高速发展。出现了越来越多的各种的高分子塑料产品,塑料制品具有质地轻盈,外表光滑,以及成本低廉,等各种优点。而注塑模具是重要的制备塑料产品的方式也伴随着塑料产品的大规模应用而高速发展。 本课题的对象为:滑动推杆,该塑件外形为杆状结构,塑件右上角和左下角有钩状结构。主要工作内容有:(1)对塑件进行工艺性分析(2 运用 U软件进行三维造型,然后运用 Mlodflow 软件进行填充,冷却,保压,翘曲分析。(3) 然后在这些基础上进行注塑模具的具体设计工作。 根据本塑件使用性能要求,选用塑料为 POM。通过对该塑件尺寸精度、结构特点、外观质量等要求的综合分析,为简化模具、保证充填顺利和成型质量,采用一模四腔的结构。采用斜导柱抽芯机构。和拉钩式的顺序分型机构。采用推杆推出机构。
温馨提示:
1、题目前面的备注【字母数字编号】为本站整理分类的编号,与课题内容无关,请选题时忽视;
2、若题目上备注三维,则表示文件里包含三维源文件,由于三维组成零件数量较多,为保证预览截图的简洁性,本站将三维文件夹进行了打包。三维及CAD预览截图,均为本站电脑打开软件进行截图的,保证能够打开,下载原件超高清,下载后解压即可;
3、本站所有资源如无特殊说明,都需要本地电脑安装Office2007。图纸软件为AutoCAD,PROE,UG,SolidWorks,CATIA等;
4、本站所有图文资料仅供用户学习参考,不作为任何商用或其他用途;
5、本站不保证下载资源的准确性、安全性和完整性, 不包修改,不支持退换,同时也不承担用户因使用这些下载资源对自己和他人造成任何形式的伤害或损失;
6、 下载文件中如有侵权或不适当内容,请与我们联系,我们立即纠正。