

作品包括:
Word版设计说明书1份
CAD版本图纸,共5张
摘要
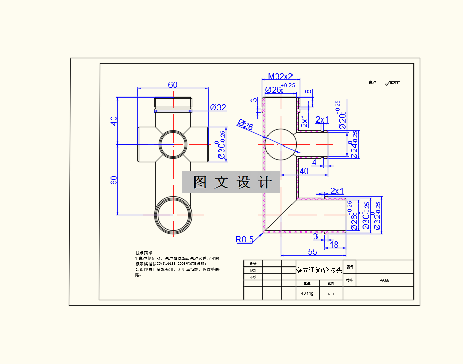
随着现代社会的发展,各类物品、材料也变得轻便、简洁、使用寿命更长。本课题对象为多向通道管接头,该塑件外型尺寸为 115mm×70mm×60mm,主体壁厚平均为 2mm。本文的具体工作内容如下:(1)塑件进行工艺分析;(2)运用 软件 进行塑件的 建模, 之后运用 Moldflow 进行充填+冷却+翘曲的模流分析与优化;(3)具体进行该塑件的模具设计。 根据塑件使用性能要求,塑件材料为 PA66(30%玻纤增强)。通过对塑件的外观质量、尺寸精度等情况综合分析,为考虑模具工艺、成本等因素,本设计所确定的注射模具采用一模两腔,两点侧浇口进料,斜导柱、弯销多向抽芯,利用模具的分型自动脱出螺纹,推管和推杆推出的总体方案。
温馨提示:
1、题目前面的备注【字母数字编号】为本站整理分类的编号,与课题内容无关,请选题时忽视;
2、若题目上备注三维,则表示文件里包含三维源文件,由于三维组成零件数量较多,为保证预览截图的简洁性,本站将三维文件夹进行了打包。三维及CAD预览截图,均为本站电脑打开软件进行截图的,保证能够打开,下载原件超高清,下载后解压即可;
3、本站所有资源如无特殊说明,都需要本地电脑安装Office2007。图纸软件为AutoCAD,PROE,UG,SolidWorks,CATIA等;
4、本站所有图文资料仅供用户学习参考,不作为任何商用或其他用途;
5、本站不保证下载资源的准确性、安全性和完整性, 不包修改,不支持退换,同时也不承担用户因使用这些下载资源对自己和他人造成任何形式的伤害或损失;
6、 下载文件中如有侵权或不适当内容,请与我们联系,我们立即纠正。