

作品包括:
Word版设计说明书1份
CAD版本图纸,共7张
摘要
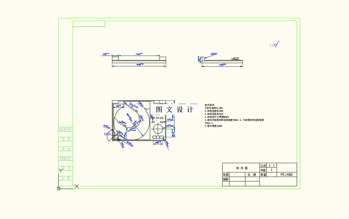
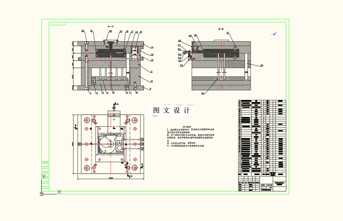
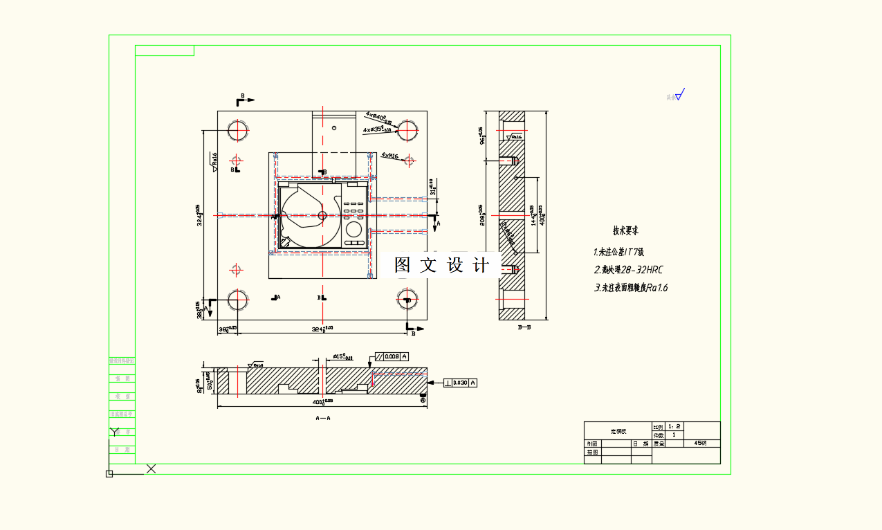
本课题来源于 Hi-Fi 音响市场中占有率比较高的 CD 机里一个重要的部件——型号为 XFG5 的 CD 面板,并针对其进行注塑模拟以及注塑模设计。制件外形尺寸不大、精度不高,壁薄,材料为 PC/ABS,各表面之间采用阶梯状进行连接过渡,要求设计的制件成型应该饱满,表面光滑,无缩水气泡等不良现象,无变形、翘曲。首先,运用 UG10.0 软件对塑料制件建立三维数学建模,从塑料制件的材料特性、成型性能以及结构造型的特点等多方面的分析塑料制件的加工工艺性;应用 Moldflow 软件对塑料制件进行注塑模拟分析,从分析结果中找到合理的注射位置和注射条件。然后,通过上述的分析结果确定其分型面为塑料制件底面,一模一腔,浇口形式选用侧浇口。接着,对注射机型号、模架、浇注系统、模具零部件、推出机构、冷却系统等进行相关的计算、校核和选择, 确定注射机型号为 XS-ZY-125,模架型号为 A1 型 450mmx400mm,型腔为整体式,脱模机构为推板推杆,冷却水道环绕于制件。最后,绘制模具装配图和主要的模具零件图。
温馨提示:
1、题目前面的备注【字母数字编号】为本站整理分类的编号,与课题内容无关,请选题时忽视;
2、若题目上备注三维,则表示文件里包含三维源文件,由于三维组成零件数量较多,为保证预览截图的简洁性,本站将三维文件夹进行了打包。三维及CAD预览截图,均为本站电脑打开软件进行截图的,保证能够打开,下载原件超高清,下载后解压即可;
3、本站所有资源如无特殊说明,都需要本地电脑安装Office2007。图纸软件为AutoCAD,PROE,UG,SolidWorks,CATIA等;
4、本站所有图文资料仅供用户学习参考,不作为任何商用或其他用途;
5、本站不保证下载资源的准确性、安全性和完整性, 不包修改,不支持退换,同时也不承担用户因使用这些下载资源对自己和他人造成任何形式的伤害或损失;
6、 下载文件中如有侵权或不适当内容,请与我们联系,我们立即纠正。