

作品包括:
Word版设计说明书1份
CAD版本图纸,共11张
UG三维图一套
摘要
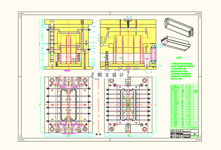
本次设计的产品为冰箱冷藏挂盒,具有重量轻,强度高,耐腐蚀,易清洁等 特点,为大批量生产产品。本次设计在针对产品进行工艺性分析后,确定模具分 型面、 型腔数目、 浇口形式、 位置大小; 其中最重要的是确定型芯和型腔的结构, 以及它们的定位和紧固方式。此外还进行了脱模机构的设计,合模导向机构的设 计,冷却系统的设计等。最后绘制完整的模具装配总图和主要的模具零件图及编 制成型零部件的制造加工工艺过程卡片。实践证明:该模具结构合理、可靠,并 能保证产品质量,对此类注射产品的模具设计有参考价值。
温馨提示:
1、题目前面的备注【字母数字编号】为本站整理分类的编号,与课题内容无关,请选题时忽视;
2、若题目上备注三维,则表示文件里包含三维源文件,由于三维组成零件数量较多,为保证预览截图的简洁性,本站将三维文件夹进行了打包。三维及CAD预览截图,均为本站电脑打开软件进行截图的,保证能够打开,下载原件超高清,下载后解压即可;
3、本站所有资源如无特殊说明,都需要本地电脑安装Office2007。图纸软件为AutoCAD,PROE,UG,SolidWorks,CATIA等;
4、本站所有图文资料仅供用户学习参考,不作为任何商用或其他用途;
5、本站不保证下载资源的准确性、安全性和完整性, 不包修改,不支持退换,同时也不承担用户因使用这些下载资源对自己和他人造成任何形式的伤害或损失;
6、 下载文件中如有侵权或不适当内容,请与我们联系,我们立即纠正。