

作品包括:
Word版设计说明书1份
CAD版本图纸,共7张
摘要
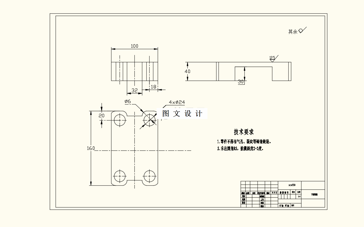
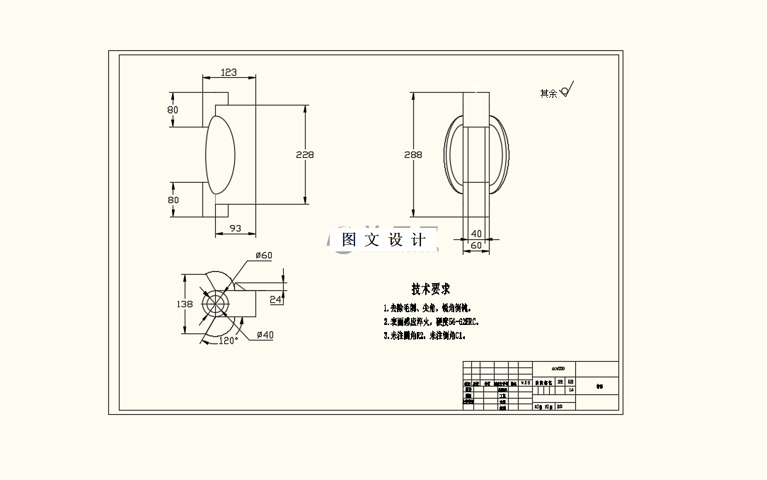
21 世纪以来,中国汽车行业的发展也取得很大的进步,涌现出不少优秀的, 深得消费者青睐的汽车厂商。中国汽车市场也变得越来越庞大,在现在汽车行业竞争激烈的局面下,国内的各大汽车制造厂商为了企业的发展,纷纷开展新的研发项目,开发满足大众汽车性能要求的新型汽车。汽车底盘是汽车重要的部件, 而作为汽车底盘零件的汽车转向驱动桥壳则对汽车的平顺性和行驶安全有着至关重要的作用,本文主要以整体式变截面式铸造桥壳为此次的设计与研究的模型
温馨提示:
1、题目前面的备注【字母数字编号】为本站整理分类的编号,与课题内容无关,请选题时忽视;
2、若题目上备注三维,则表示文件里包含三维源文件,由于三维组成零件数量较多,为保证预览截图的简洁性,本站将三维文件夹进行了打包。三维及CAD预览截图,均为本站电脑打开软件进行截图的,保证能够打开,下载原件超高清,下载后解压即可;
3、本站所有资源如无特殊说明,都需要本地电脑安装Office2007。图纸软件为AutoCAD,PROE,UG,SolidWorks,CATIA等;
4、本站所有图文资料仅供用户学习参考,不作为任何商用或其他用途;
5、本站不保证下载资源的准确性、安全性和完整性, 不包修改,不支持退换,同时也不承担用户因使用这些下载资源对自己和他人造成任何形式的伤害或损失;
6、 下载文件中如有侵权或不适当内容,请与我们联系,我们立即纠正。