

作品包括:
Word版设计说明书1份
CAD版本图纸,共7张
摘要
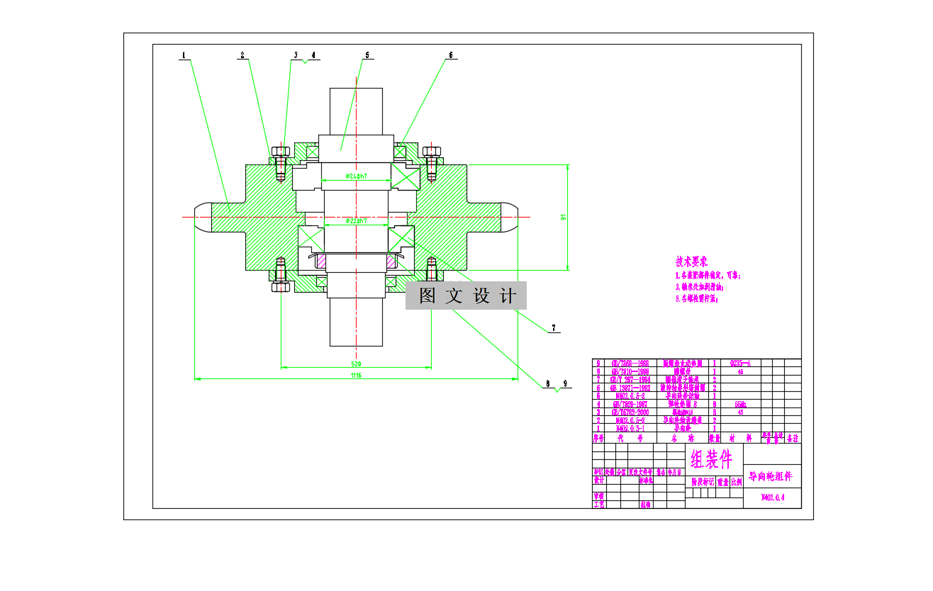
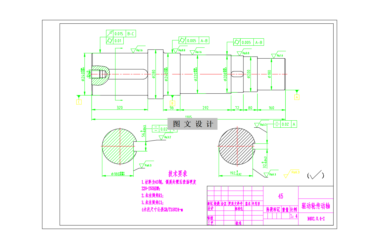
斗轮堆取料机的行走机构一般有导轨式和履带式两种,小型斗轮取料机要求移动灵活, 工作场地在一定区域内具备一定机动性,因此一般采用履带式行走机构,本设计针对履带 式行走机构进行设计。 本文主要是通过根据相应设计要求来对整体结构设计进行了一个完成工作,来保证机构结构之间能够进行安全、可靠、行动灵活的工作。首先对当下比较流行的设计方法进行了解,对于此类产品在国内外的发展现状进行比较,发现行走机构采用不同履带式的优点以及缺点,选择最优方案,来对整个设计过程进行确认,并分析了行走机构的组成及其对应的功能。
温馨提示:
1、题目前面的备注【字母数字编号】为本站整理分类的编号,与课题内容无关,请选题时忽视;
2、若题目上备注三维,则表示文件里包含三维源文件,由于三维组成零件数量较多,为保证预览截图的简洁性,本站将三维文件夹进行了打包。三维及CAD预览截图,均为本站电脑打开软件进行截图的,保证能够打开,下载原件超高清,下载后解压即可;
3、本站所有资源如无特殊说明,都需要本地电脑安装Office2007。图纸软件为AutoCAD,PROE,UG,SolidWorks,CATIA等;
4、本站所有图文资料仅供用户学习参考,不作为任何商用或其他用途;
5、本站不保证下载资源的准确性、安全性和完整性, 不包修改,不支持退换,同时也不承担用户因使用这些下载资源对自己和他人造成任何形式的伤害或损失;
6、 下载文件中如有侵权或不适当内容,请与我们联系,我们立即纠正。