

作品包括:
Word版设计说明书1份
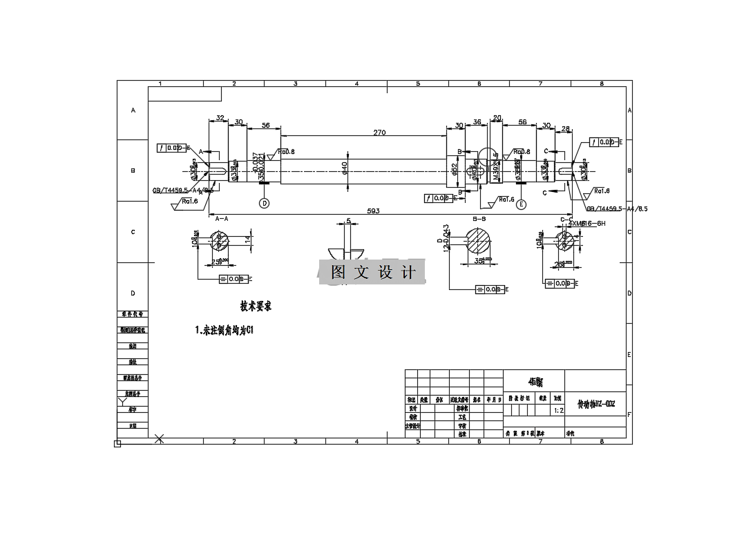
CAD版本图纸,共7张
摘要
本文借助Autocad 结合自己确定的设计方案,按照定位,夹紧等零件关系,对一个“四模四冲程自动冷镦机的夹钳机构”进行结构设计。并在建模任务完成后,绘制二维装配图、关键零件图,以及书写设计说明书。通过设计“四模四冲自动冷镦机的夹钳机构”,所得结果对于国内冷镦机的夹钳机构设计有着一定的参考意义。 论文主要阐述了“四模四冲冷镦机的夹钳机构”的基本结构,着重说明在“四模四冲自动冷镦机的夹钳机构”结构设计时的关键设计要素,以及相关参数和标准零件的选用。
温馨提示:
1、题目前面的备注【字母数字编号】为本站整理分类的编号,与课题内容无关,请选题时忽视;
2、若题目上备注三维,则表示文件里包含三维源文件,由于三维组成零件数量较多,为保证预览截图的简洁性,本站将三维文件夹进行了打包。三维及CAD预览截图,均为本站电脑打开软件进行截图的,保证能够打开,下载原件超高清,下载后解压即可;
3、本站所有资源如无特殊说明,都需要本地电脑安装Office2007。图纸软件为AutoCAD,PROE,UG,SolidWorks,CATIA等;
4、本站所有图文资料仅供用户学习参考,不作为任何商用或其他用途;
5、本站不保证下载资源的准确性、安全性和完整性, 不包修改,不支持退换,同时也不承担用户因使用这些下载资源对自己和他人造成任何形式的伤害或损失;
6、 下载文件中如有侵权或不适当内容,请与我们联系,我们立即纠正。