

作品包括:
Word版设计说明书1份
开题报告一份
CAD版本图纸,共10张
UG三维图一份
摘要
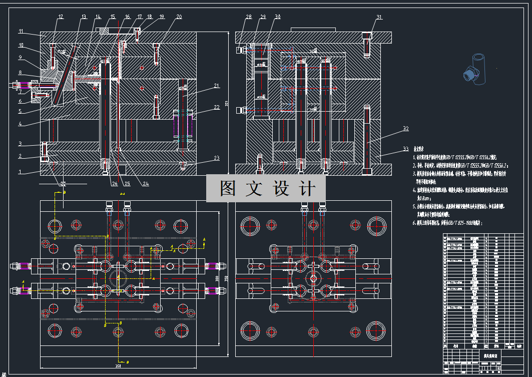
首先从三通管接头实物入手分析研究,接着对三通管接头的产品工艺性进行了分析,通过对三通管接头的结构形状以及尺寸精度方面的分析,以及产品用途选取出来适合本次塑料件的原料,接下来对一次成型腔体数进行了分析设计,决定选择一模四腔形式进行注塑成型,根据实物表面痕迹,确定三通模具设计的分型面位置,浇注系统采用的主流道、一级分流道、二级分流道、侧浇口进胶、由于三通管接头的结构特点,本次设计脱模机构采用了推管脱模方式、所选注塑机的选择型号为HTF86TJ。最后对模具温度控制系统以及排气系统也进行了设计,在我们的整个设计中不仅多次在网上查阅塑料模具相关资料,还多次运用大学期间所掌握的三维软件和二维软件进行了图纸的绘制。
温馨提示:
1、题目前面的备注【字母数字编号】为本站整理分类的编号,与课题内容无关,请选题时忽视;
2、若题目上备注三维,则表示文件里包含三维源文件,由于三维组成零件数量较多,为保证预览截图的简洁性,本站将三维文件夹进行了打包。三维及CAD预览截图,均为本站电脑打开软件进行截图的,保证能够打开,下载原件超高清,下载后解压即可;
3、本站所有资源如无特殊说明,都需要本地电脑安装Office2007。图纸软件为AutoCAD,PROE,UG,SolidWorks,CATIA等;
4、本站所有图文资料仅供用户学习参考,不作为任何商用或其他用途;
5、本站不保证下载资源的准确性、安全性和完整性, 不包修改,不支持退换,同时也不承担用户因使用这些下载资源对自己和他人造成任何形式的伤害或损失;
6、 下载文件中如有侵权或不适当内容,请与我们联系,我们立即纠正。