

作品包括:
Word版设计说明书1份
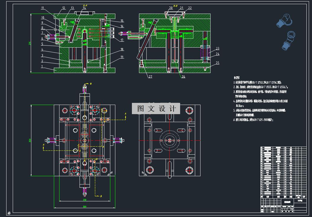
CAD版本图纸,共9张
UG三维图一份
摘要
根据任务书中要求为生产POM弯头设计一套塑料模具,在开始本次模具设计任务之前,首先分析了POM弯头的结构特点,以及所选POM材料性能分析,通过以上分析,确定了分型面最佳位置以及一模两腔型腔数目及型腔排布,本次注塑模具成型选择了HTF86型号注塑机,然后就可以展开模具具体结构设计,包括浇注系统,冷却及排气系统,脱模机构,导向机构,针对产品左右侧壁上各有一处侧凹机构成型,我们设计了侧向分型抽芯机构等机构设计,最后所选注塑机型号的重要参数进行校核。
温馨提示:
1、题目前面的备注【字母数字编号】为本站整理分类的编号,与课题内容无关,请选题时忽视;
2、若题目上备注三维,则表示文件里包含三维源文件,由于三维组成零件数量较多,为保证预览截图的简洁性,本站将三维文件夹进行了打包。三维及CAD预览截图,均为本站电脑打开软件进行截图的,保证能够打开,下载原件超高清,下载后解压即可;
3、本站所有资源如无特殊说明,都需要本地电脑安装Office2007。图纸软件为AutoCAD,PROE,UG,SolidWorks,CATIA等;
4、本站所有图文资料仅供用户学习参考,不作为任何商用或其他用途;
5、本站不保证下载资源的准确性、安全性和完整性, 不包修改,不支持退换,同时也不承担用户因使用这些下载资源对自己和他人造成任何形式的伤害或损失;
6、 下载文件中如有侵权或不适当内容,请与我们联系,我们立即纠正。