

作品包括:
Word版说明书1份,共45页,约9600字
CAD版本图纸,共2张
UG三维图一份
摘 要
数控技术和装备发展趋势及对策装备工业的技术水平和现代化程度决定着整个国民经济的水平和现代化程度,数控技术及装备是发展新兴高新技术产业和尖端工业(如信息技术及其产业、生物技术及其产业、航空、航天等国防工业产业)的使能技术和最基本的装备。马克思曾经说过“各种经济时代的区别,不在于生产什么,而在于怎样生产,用什么劳动资料生产”。制造技术和装备就是人类生产活动的最基本的生产资料,而数控技术又是当今先进制造技术和装备最为核心的技术。当今世界各国制造业广泛采用数控技术,以提高制造能力和水平,提高对动态多变市场的适应能力和竞争能力。
关键词 工艺分析 加工方案 进给路线 数控编程
目 录
摘 要 I
目 录 II
第一章 基于UG的三维造型设计 1
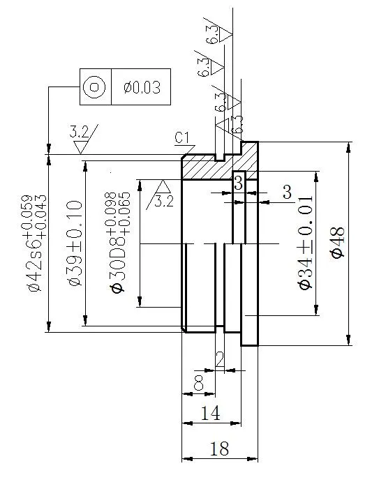
1.1零件图分析 1
1.2 零件基于UGNX8.0的三维实体建模 3
第二章 数控加工工艺分析 5
2.2毛坯的选择 5
2.3定位基准的选择 6
2.4刀具的选择 6
2.5加工顺序的安排 7
2.6制定工艺路线 8
2.7 指定过程卡和工序卡 9
2.8 夹具的选择 1
2.8.1夹具的选择原则 1
2.8.2确定合理的装夹方式 1
2.9 机床的选择 1
2.10切削用量及切削工时的计算 2
2.11工序卡 4
第三章 UG环境下CAM编程 5
3.1 加工前的模型处理和加工准备 5
3.1.1 模型处理 5
3.1.2 加工准备 5
3.2 零件加工编程 7
3.2.1铜套创建右端面的粗车和外圆面的粗加工 7
3.2.2铜套创建右端面和外圆面的精加工 10
3.2.3铜套创建左端面的粗加工 11
3.2.4铜套创建左外圆面的精加工 13
3.2.5铜套加工沟槽 15
3.2.6铜套钻中心孔 17
3.2.7铜套精校中心孔Φ30 18
3.2.8车内沟槽 20
第四章 后处理NC程序及仿真 22
4.1铜套编程NC及仿真 22
致谢词 1
参考文献 2
温馨提示:
1、题目前面的备注【字母数字编号】为本站整理分类的编号,与课题内容无关,请选题时忽视;
2、若题目上备注三维,则表示文件里包含三维源文件,由于三维组成零件数量较多,为保证预览截图的简洁性,本站将三维文件夹进行了打包。三维及CAD预览截图,均为本站电脑打开软件进行截图的,保证能够打开,下载原件超高清,下载后解压即可;
3、本站所有资源如无特殊说明,都需要本地电脑安装Office2007。图纸软件为AutoCAD,PROE,UG,SolidWorks,CATIA等;
4、本站所有图文资料仅供用户学习参考,不作为任何商用或其他用途;
5、本站不保证下载资源的准确性、安全性和完整性, 不包修改,不支持退换,同时也不承担用户因使用这些下载资源对自己和他人造成任何形式的伤害或损失;
6、 下载文件中如有侵权或不适当内容,请与我们联系,我们立即纠正。