K1215-连杆机械加工工艺规程及铣φ32K7孔端面夹具设计
K1214-换挡拨叉加工工艺及钻φ5孔夹具设计
P405-织机凸轮摇臂工艺规程及钻M8螺纹孔系夹具设计
P404-插入耳环加工工艺规程及铣半圆键槽铣床夹具设计
P403-插入耳环机械加工工艺规程及镗φ32孔夹具设计
K1213-CA6140车床套加工工艺及铣宽5槽夹具设计[含SW三维图]
K1212-CA6140车床套加工工艺及钻φ7孔夹具设计[含SW三维图]
JJ7676-滑阀的工艺规程及车右端面夹具设计
K1210-拨叉[831008]加工工艺及钻φ20孔夹具设计
K1207-填料箱盖加工工艺及钻6xφ13.5孔夹具设计
K1206-填料箱盖加工工艺及钻攻4xM10螺纹孔夹具设计
K1205-法兰盘[831004]加工工艺及钻4xφ9孔夹具设计
K1202-CA6140车床拨叉[831006]工艺及钻φ25孔夹具设计
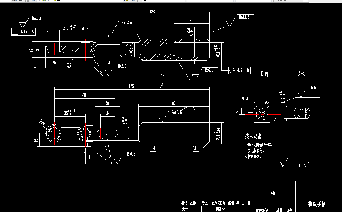
K1201-操纵手柄机械加工工艺规程及铣B向φ13端面夹具设计
K1200-推动架机械加工工艺规程及扩铰φ32孔夹具设计
K1199-推动架机械加工工艺规程及钻扩铰φ16孔夹具设计
K1198-推动架加工工艺及铣φ35、φ50右端面气动夹具设计
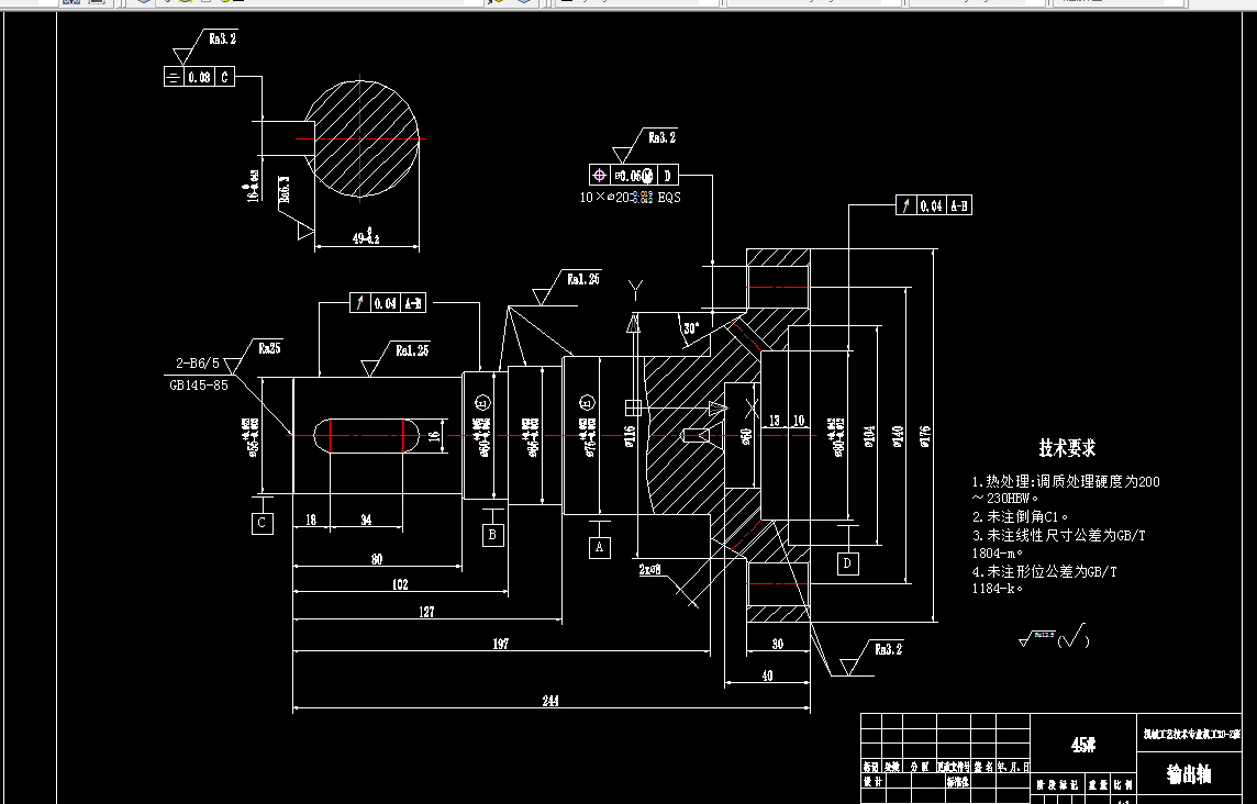
K1197-输出轴机械加工工艺规程及钻扩10-φ20孔夹具设计
K1196-输出轴机械加工工艺规程及镗φ80孔夹具设计
K1195-输出轴机械加工工艺规程及铣键槽夹具设计