K1243-某机床连杆机械加工工艺分析及钻φ11孔夹具设计
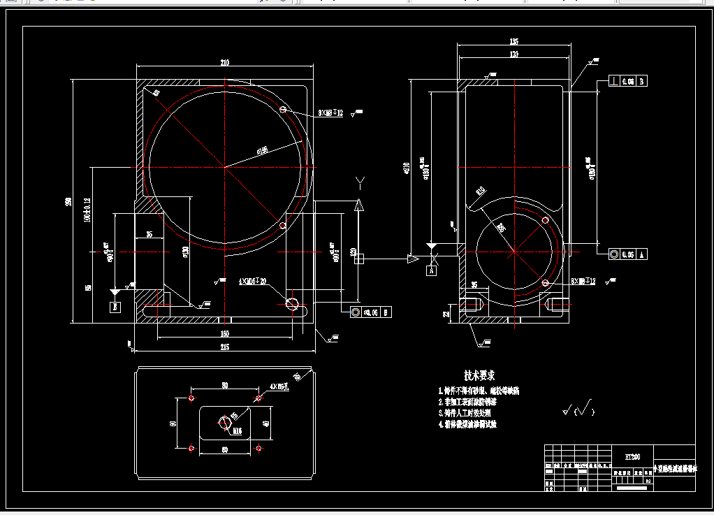
K1242-蜗轮减速箱体加工工艺及镗φ180孔夹具设计[含SW三维图]
K1241-拨叉机械加工工艺规程及铣斜面夹具设计
K1240-阀盖机械加工工艺规程及钻φ20孔夹具设计[含Proe三维图]
P435-方刀架加工工艺及钻8-M12螺纹孔夹具设计
P434-阀盖机械加工工艺规程及钻4-φ13孔夹具设计
P433-齿轮泵壳体机械加工工艺及铣前端面夹具设计[含UG三维图]
P432-阀盖加工工艺规程及钻M4螺纹孔夹具设计
P431-变速箱壳体机械加工工艺规程及钻4-φ18孔夹具设计
P430-离合器体加工工艺及钻φ9孔夹具设计
P429-舵机舱体加工工艺及车φ100孔夹具设计
P428-舵机舱体加工工艺及铣φ110端面、φ45孔夹具设计
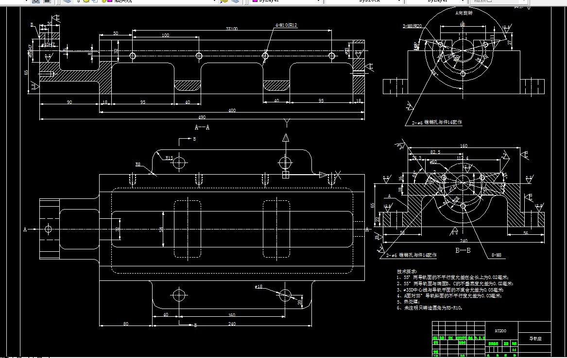
P427-导轨座加工工艺规程及钻铰φ10孔夹具设计
P426-定位销机械加工工艺规程及铣斜面夹具设计
P425-离合器接合叉加工工艺及铣叉口内侧面夹具设计
P424-滑阀前盖加工工艺及钻4-φ5.5孔锪4-φ9孔夹具设计
P423-滑阀前盖机械加工工艺规程及铣13x18槽夹具设计
P422-拉杆弹簧座加工工艺及粗铣2×φ14孔端面夹具设计[含SW三维图]
P421-开关座壳体加工工艺及铣顶部70x70端面夹具设计[含UG三维图]
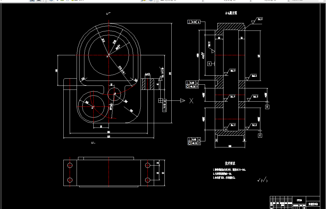
P420-链锯发动机缸体加工工艺规程及钻攻2xM5夹具设计