K1262-回油阀体加工工艺规程及钻右端φ40孔夹具设计[含SW三维图]
K1261-xpi泵体机械加工工艺及钻攻4-M10螺纹孔夹具设计
K1260-链轮轴机械加工工艺规程及铣宽6键槽夹具设计
K1259-拨叉加工工艺规程及钻φ14孔夹具设计[含SW三维图]
K1258-后盖加工工艺规程及钻φ6孔夹具设计
K1257-后盖加工工艺规程及扩铰φ30孔夹具设计
P443-扇形板加工工艺规程及车R48圆弧夹具设计
P442-车床离合器齿轮加工工艺及铣顶部两38宽槽夹具设计
K1256-阀盖加工工艺及钻φ20孔夹具设计[含SW三维图]
K1255-叉杆加工工艺及铣R23圆弧面夹具设计[含三维图]
K1254-车床主轴箱离合齿轮[84002]加工工艺及粗铣十字槽口夹具设计
K1250-叉杆机械加工工艺规程及钻φ10孔夹具设计
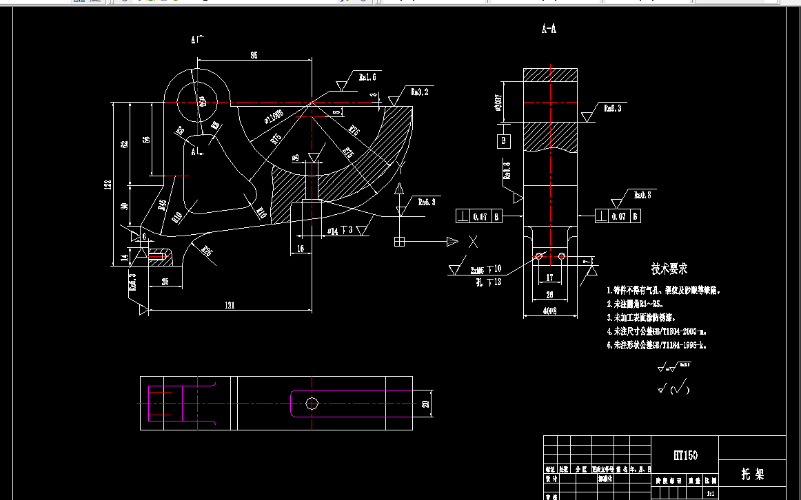
K1249-托架机械加工工艺规程及钻攻2-M5螺纹夹具设计
K1248-托架机械加工工艺规程及铣Ф110H6端面夹具设计
P437-泥浆泵偏心盘加工工艺及钻5-φ17孔夹具设计
P436-泥浆泵偏心盘加工工艺及钻攻M22螺纹孔夹具设计
K1247-法兰盘[84003]机械加工工艺规程及钻3-φ11孔夹具设计
K1246-法兰盘[84003]机械加工工艺及钻3-φ11孔夹具设计
K1245-柴油机连杆加工工艺及镗φ70孔夹具设计【含UG三维动画】
K1244-支架加工工艺规程及钻φ20孔夹具设计