K1228-CA6140车床后托架[831001]工艺及钻Ф6孔夹具设计[含Proe三维图]
K1227-手柄座[831015]加工工艺及插键槽6H9夹具设计
P410-液压法兰盘加工工艺及钻6-φ6孔夹具设计
P409-叉头加工工艺及镗φ210孔夹具设计
P408-摆杆加工工艺及钻φ6孔夹具设计
K1226-等臂杠杆加工工艺及钻φ10孔夹具设计
K1225-CA6140车床杠杆[831009]工艺及钻φ25孔夹具设计
K1224-CA1340自动车床杠杆[杠杆三]工艺及其钻φ8孔夹具设计
K1223-杠杆(CA1340自动车床)(一) 加工工艺及钻φ20孔夹具设计
P407-锁架机械加工工艺规程及钻φ8孔夹具设计
P406-插入耳环机械加工工艺规程及钻φ5孔夹具设计
K1222-拨叉加工工艺及镗R36面夹具设计
K1221-等臂杠杆加工工艺及钻铰2-φ8H7孔夹具设计[含UG三维图]
K1220-CA6140车床杠杆[831009]工艺及钻M8螺纹孔夹具设计[含UG三维图]
K1219-微电机壳加工工艺及镗φ102孔夹具设计[含SW三维图]
K1218-U型拨叉加工工艺及铣叉口夹具设计
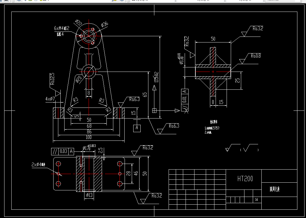
X122F-圆周支座加工工艺及φ36、φ20端面夹具设计
X122E-圆周支座加工工艺及铣φ7孔端面夹具设计
K1217-连杆机械加工工艺规程及钻扩铰φ20H7孔夹具设计
K1216-连杆机械加工工艺规程及钻φ32K7孔夹具设计