JJ2671-端盖零件加工工艺及钻φ10孔夹具设计
JJ2670-最终传动箱盖加工工艺及钻6-φ7孔夹具设计
JJ2669-最终传动箱盖加工工艺及铣φ26前端面夹具设计
JJ2668-最终传动箱盖加工工艺及铣48后端面夹具设计
JJ2667-连杆加工工艺及铣18和12上端面夹具设计
JJ2666-连杆加工工艺及钻φ8左孔夹具设计
JJ2665-连杆加工工艺及钻M8孔夹具设计
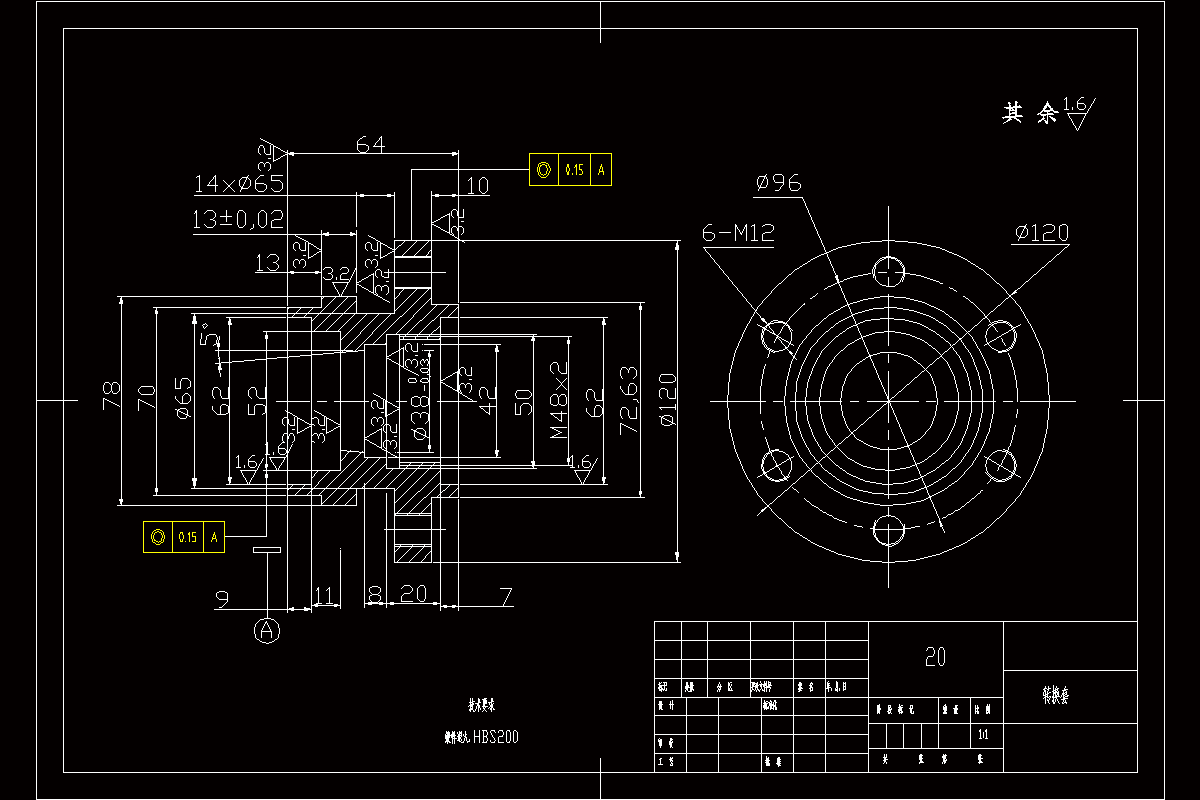
Z1762-缸筒转换套加工工艺及车φ72φ120右端面夹具设计
JJ2663-阀盖钻孔专用钻床总体结构及钻4-φ14孔夹具设计[含Proe三维图]
JJ2660-被动轴加工工艺及钻φ6.5通孔夹具设计
Z632-凸轮轴加工工艺及磨床夹具设计
K1150-行星减速端盖加工工艺钻6-φ13孔夹具设计
JJ2656-轴承架零件加工工艺及铣φ54前端面夹具设计
JJ2655-上壳零件加工工艺及镗φ88孔及φ10外圆夹具设计
JJ2654-牵引机车连接杆及铣24单平面槽夹具设计[含三维图]
K1700-飞锤支架加工工艺及钻2-φ6.5孔夹具设计[含三维图]
JJ2652-回油管接头加工工艺及车螺纹专用夹具设计
JJ2651-缸套零件加工工艺及精镗φ95H7孔夹具设计
N924-锥齿轮座加工工艺及钻φ52孔夹具设计
JJ2649-摇杆的加工工艺及钻φ20孔夹具设计