JJ2614-倒档拨叉的加工工艺及铣开档23平面夹具设计
JJ2613-后摇臂座零件的的加工工艺及钻φ4孔夹具设计
JJ2612-后摇臂座零件的的加工工艺及铣50下端面夹具设计
JJ2611-支架零件的加工工艺及车床夹具设计
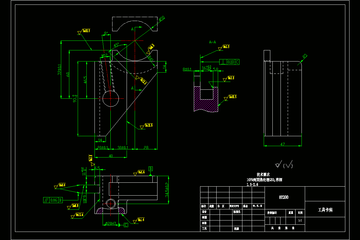
Q916-工具卡座零件加工工艺及镗φ50半圆孔夹具设计
JJ2609-轴支架零件加工工艺及镗φ55H7孔夹具设计
JJ2608-摇臂支架加工工艺及车2X12左外圆夹具设计
JJ2606-机床底座加工工艺及铣底面夹具设计
JJ2605-角形轴承箱加工工艺及镗φ180孔夹具设计
JJ2604-拨动杆加工工艺及铣Q平面及端面夹具设计
JJ2560-球星凹座加工工艺及铣十字槽夹具设计
JJ2559-行星减速器端盖加工工艺及钻6-M12底孔夹具设计
JJ2558-行星减速器端盖加工工艺及钻6-M12螺纹底孔夹具设计
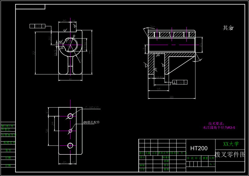
JJ2557-拨叉[831006]工艺及铣断夹具设计【含SW三维图】
JJ2537-车桥螺伞齿轮加工工艺及车齿坯外圆夹具设计
JJ2510-ZA400-560泵体成形工艺设计
JJ2506-分离叉加工工艺及铣R15圆弧面夹具设计
JJ2505-分离叉加工工艺及铣内侧面夹具设计[含三维图]
JJ2504-分离叉加工工艺及铣内侧面夹具设计
JJ2480-CA6140车床拨叉[831003]工艺及铣左端面夹具设计