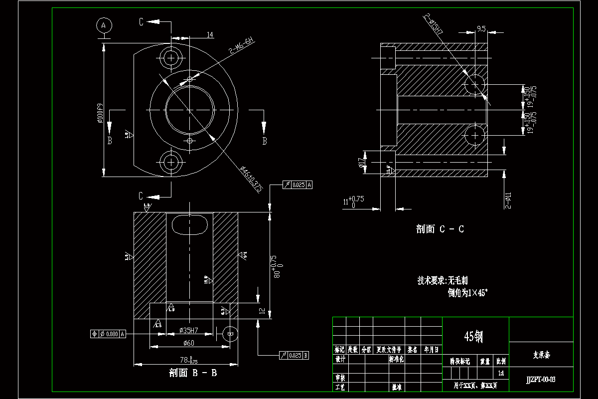
JJ2698-支承套零件加工工艺及钻2-φ15H7孔夹具设计
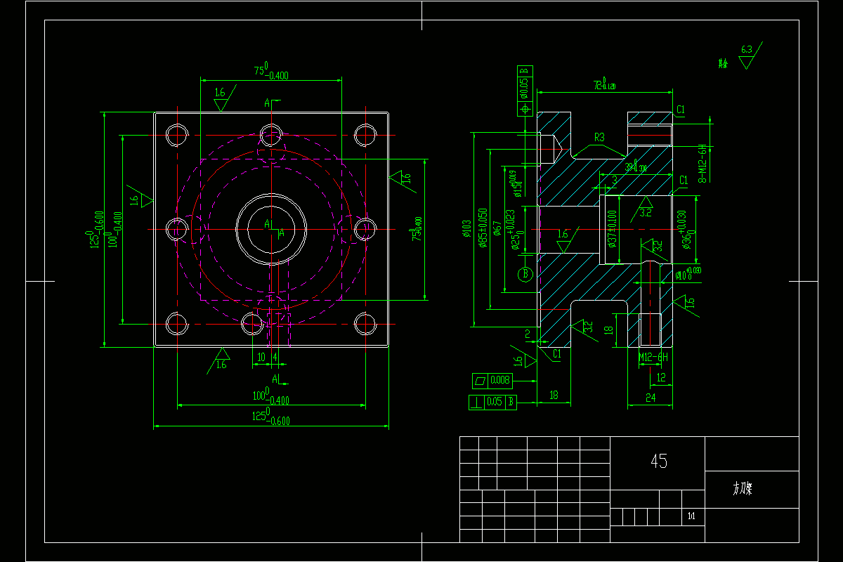
JJ2697-方刀架零件加工工艺及钻φ25孔夹具设计
JJ2696-CC5107衬套加工工艺及钻φ17H7孔夹具设计
JJ2693-变速叉[变速拨叉]加工工艺及钻φ8锁销孔夹具设计
JJ2692-变速叉[变速拨叉]加工工艺及铣叉口面及6两面夹具设计
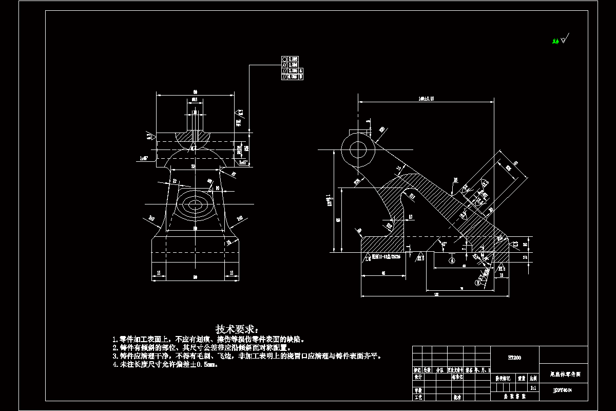
K1455-尾座体加工工艺及铣φ35两端面夹具设计[含UG三维图]
JJ2690-尾座体加工工艺及铣2×2槽夹具设计
JJ2689-钻床主轴加工工艺及铣8X15槽夹具设计[含UG三维图]
JJ2685-伸出支架梁加工工艺及镗φ55孔夹具设计
JJ2684-拨叉齿条加工工艺及铣前φ40端面夹具设计
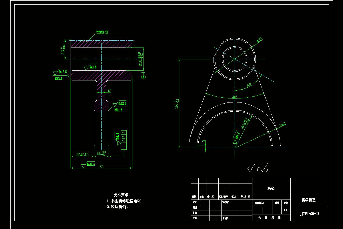
JJ2683-拨叉齿条加工工艺及镗拨叉齿条半圆叉口夹具设计
JJ2682-齿条拨叉加工工艺及铣头部25斜面夹具设计
JJ2681-减速箱体加工工艺及铣下端面夹具设计
JJ2680-减速箱体加工工艺及钻底面8个孔夹具设计
JJ2678-哑铃销加工工艺及车5°宽12环形槽夹具设计
K1452-柴油机气缸盖加工工艺及钻攻2-M10螺纹夹具设计
JJ2675-汽车后桥壳加工工艺规程及精镗φ340孔夹具设计
P366-最终传动箱盖加工工艺规程及钻M16螺纹孔夹具设计
JJ2673-最终传动箱盖加工工艺及钻M16螺纹孔夹具设计
JJ2672-推动架数控加工工艺及钻φ32孔夹具设计