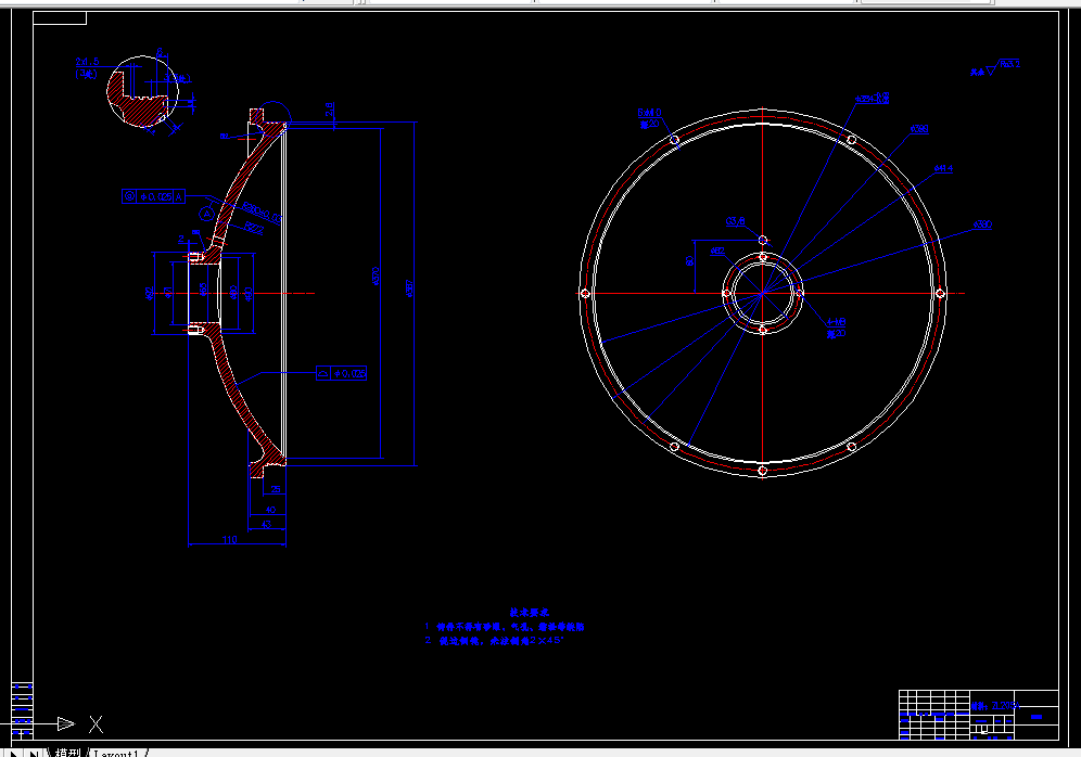
C674-发射盘的数控加工工艺设计
C672-前盖零件的加工工艺及钻铰22孔夹具设计
C663-油泵转子加工工艺及钻φ1.5孔夹具设计
C661-泵套零件的加工工艺及钻3-φ8孔夹具设计
C660-连杆上盖零件加工工艺及夹具设计
C659-十字接头的加工工艺及车M20螺纹夹具设计
C658-曲轴的工艺规程及铣键槽夹具设计
C657-活塞杆零件加工工艺及车右端M39X2-6g夹具设计
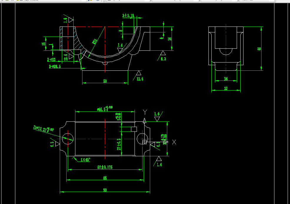
C656-导向孔支撑座零件的工艺规程及镗Φ40孔夹具设计
C655-带轮零件的工艺规程及钻M8螺纹孔夹具设计
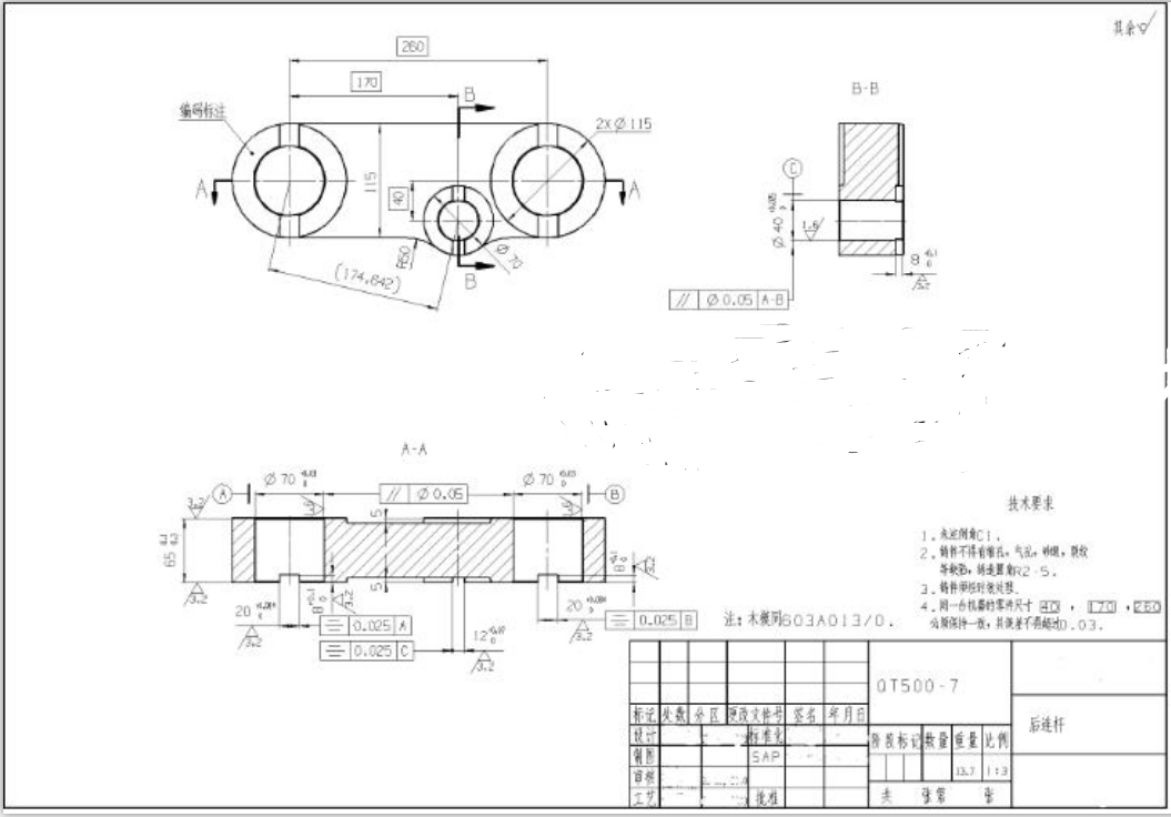
C654-后连杆工艺规程及铣宽12mm的槽夹具设计
C653-阀座零件的工艺规程及车右端端面外圆夹具设计
C652-阀杆零件的工艺规程及钻Φ12H8孔夹具设计
C651-阀杆零件的工艺规程及铣两侧面夹具设计
C650-转动套筒的工艺规程及钻2-Φ10孔夹具设计
C648-壳体加工工艺及钻2-M5螺纹孔的钻床夹具设计
C647-接嘴零件的工艺规程及车右端外圆夹具设
C646-管接头零件的工艺规程及车右端螺纹夹具设计
C645-假轴加工工艺及钻6-φ30孔夹具设计
C642-接杆工艺规程及钻小孔车大孔夹具设计