C641-变速箱机座车外圆及内孔夹具设计
C640-报警器外壳零件机械加工工艺编制及夹具设计
C623-挂轮架轴自由锻工艺设计
C607-连杆螺钉加工工艺及铣42平面夹具设计
C602-年产8万件活塞加工工艺规程及夹具设计
C598-上压盖零件机械加工工艺规程及车83槽夹具设计
C597-上压盖加工工艺及钻上φ7.5孔和钻攻ZG12.7[1-2]螺纹夹具设计
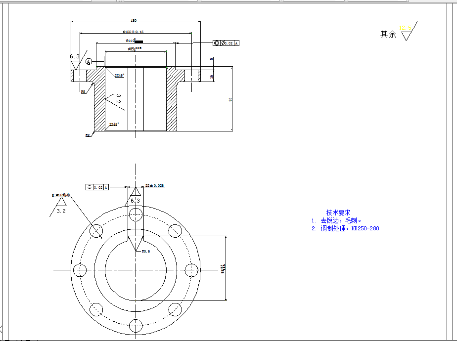
C595-法兰零件加工工艺及铣左右端面夹具设计
C590-CA6140开合螺母加工工艺及钻M6螺纹底孔夹具设计
C557-外筒零件加工工艺及磨床夹具设计[含SW三维图]
C556-驱动轮毂加工工艺及钻孔夹具设计
C555-偏心套零件加工工艺及其夹具设计
C554-光杆加工工艺及长键槽铣夹具设计
C553-导块零件加工工艺及钻夹具设计
C552-拨杆零件加工工艺及钻夹具设计
C551-拨杆臂零件加工工艺及两端面联动夹紧铣床夹具设计
C548-锥齿轮座加工工艺及钻4-M8螺纹孔夹具设计
C546-CA6140车床手柄轴的加工工艺及钻Φ8.5螺纹孔的钻床夹具设计[含三维图]
C526-曲轴箱零件加工工艺设计
C525-基于ProE的液压泵变量活塞零件的工装设计