E045-回转盘的机械加工工艺规程及其镗工序的专用夹具
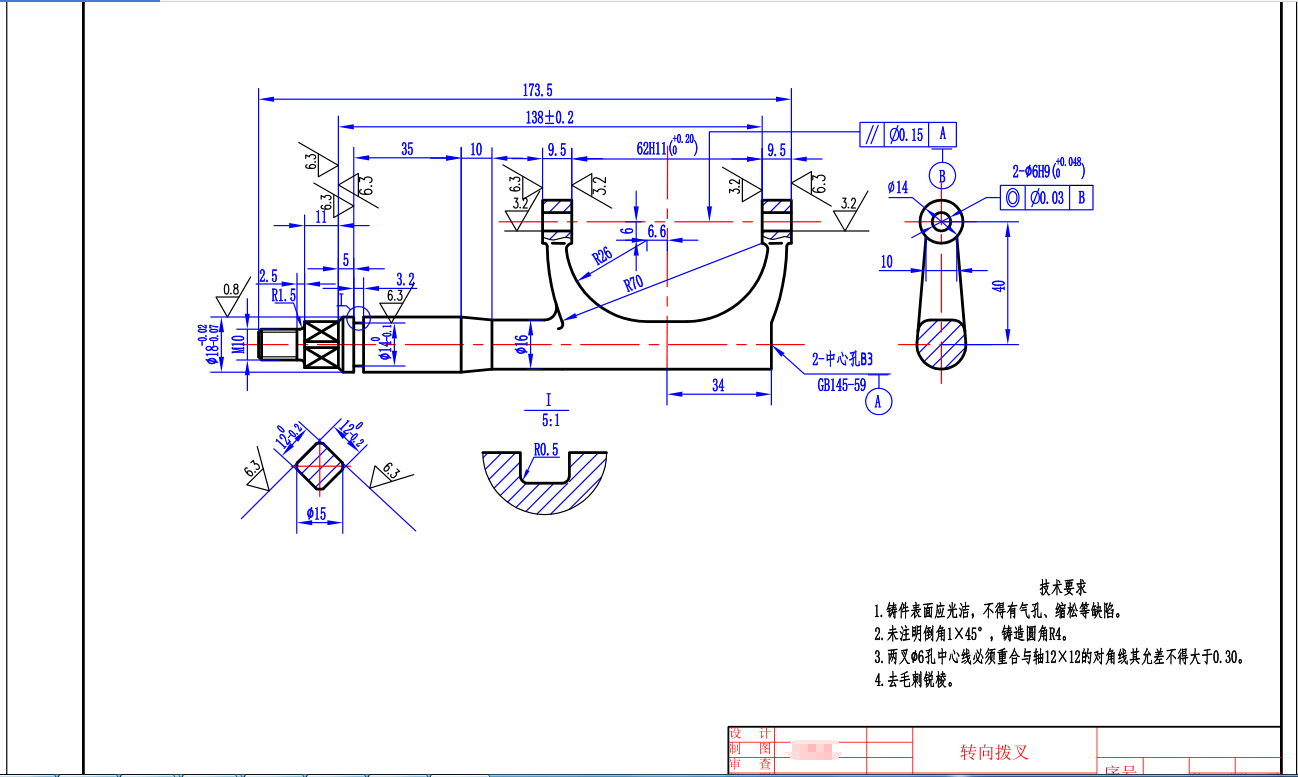
D932-转向拨叉零件的工艺规程及钻Φ6孔夹具设计
D930-对开螺母零件的工艺规程及钻4-M6螺纹孔夹具设计
D929-拨动制解板的工艺规程及铣端面的夹具设计
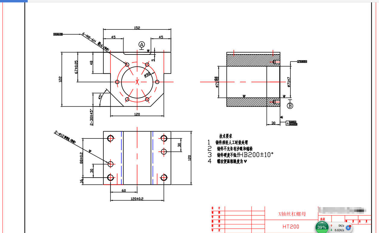
D928-X轴丝杠螺母零件加工工艺及车内孔夹具设计
D864-薄壁筒形工件外圆车削加工分析与研究
D741-汽车离合器外壳工艺工装设计
D679-摆杆零件工艺规程及夹具设计
D648-传动壳体机加工工艺及顶面钻孔夹具设计
D367-飞轮壳的机械加工工艺及工装设计
D347-HWT200-1100减速器机盖加工工艺规程编制及夹具设计
D344-BJ2020差速器壳体的机械加工工艺及工装设计[2套夹具毕设版]
D187-YTP26气腿式凿岩机机体工艺、夹具设计
D159-X5020B立式升降台铣床拔叉壳体工艺及夹具设计
D146-Z3050×16立柱摇臂升降钻床壳体的加工工艺及夹具设计
D139-6V100发动机活塞结构设计与制造工艺
D116-630刮板输送机减速器的设计及下箱体的加工工艺
C792-减速器箱体的工艺及加工Φ72H7孔的夹具设计
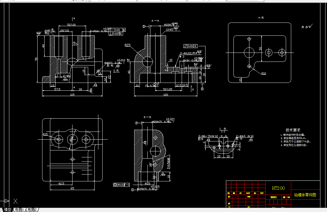
C789-钻模体工艺规程及钻2-Φ6孔夹具设计
C788-铣床升降台加工工艺及镗孔夹具设计