W243-KCSJ-01手柄零件工艺规程及钻φ38孔夹具设计
W676-KCSJ-01手柄零件的机械加工工艺及精镗小头孔夹具设计
KS165-后盖加工工艺及钻侧面Φ10和Φ6孔夹具设计
KS164-后盖加工工艺及钻3-Φ10孔夹具设计
KS163-底座钻4×φ11孔钻床夹具设计
KS162-底座加工工艺及铣上端面夹具设计
KS161-底座加工工艺及钻Φ20孔夹具设计
KS160-偏心轴的工加工工艺及钻Φ6孔夹具设计
KS159-偏心轴加工工艺及铣六方面的夹具设计
KS158-偏心套加工工艺及钻M8螺纹孔夹具设计
W980-CA6140下部刀架的工艺工装的设计[2套夹具毕设版]
W980B-CA6140下部刀架的加工工艺及车床夹具设计
W980A-CA6140下部刀架的加工工艺及钻孔夹具设计
U173-手柄座零件机械加工工艺和典型夹具设计[2套夹具毕设版]
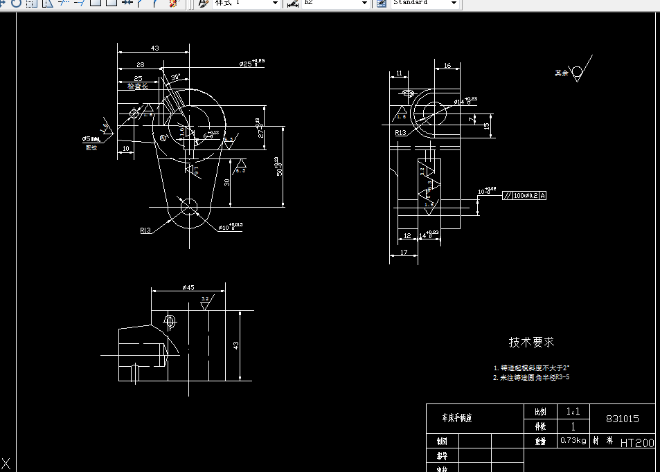
KS157-CA6140车床手柄座[831015]工艺及钻φ14孔夹具设计
KS156-CA6140车床手柄座[831015]工艺及铣45平面夹具设计
KS155-CA6140车床手柄座[831015]工艺及钻φ25孔夹具设计
KS154-CA6140车床手柄座[831015]工艺及拉键槽夹具设计
KS153-CA6140车床手柄座[831015]工艺及钻φ5锥孔夹具设计
KS152-CA6140车床手柄座[831015]工艺及铣14槽夹具设计