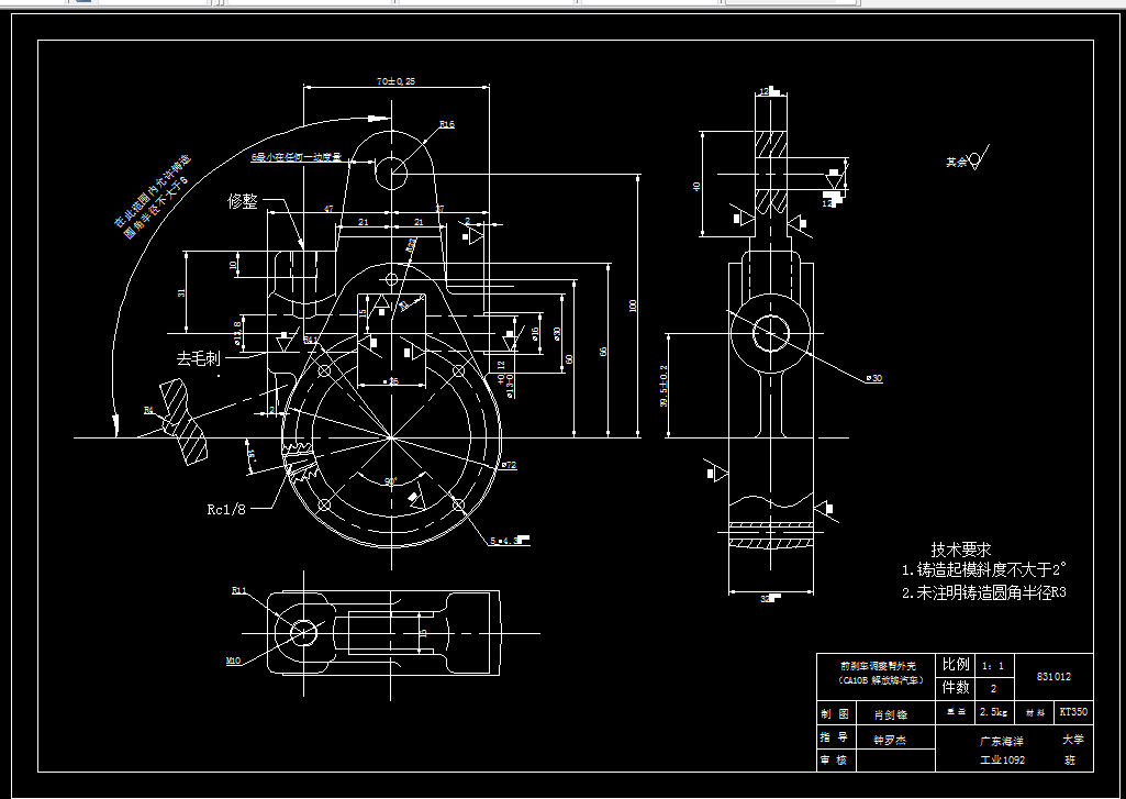
KS126-前刹车调整臂外壳工艺及铣12mm左右端面夹具设计
KS125-前刹车调整臂外壳工艺及钻5-φ4.3孔夹具设计[含Proe三维图]
KS124-前刹车调整臂外壳工艺及钻5-φ4.3孔夹具设计
KS123-前刹车调整臂外壳工艺及铣端面夹具设计
BS01-前刹车调整臂外壳工艺及夹具设计[2套夹具毕设版]
KS122-前刹车调整臂外壳工艺及钻Ф13.8和Ф16沉孔夹具设计
KS121-前刹车调整臂外壳工艺及车大端端面与φ60孔夹具设计
G091B-前刹车调整臂外壳工艺及车大端端面与φ60孔夹具设计[含SW三维图]
G091-前刹车调整臂外壳工艺及车大端端面与φ60孔夹具设计
F005-前刹车调整臂外壳工艺及钻Ф62mm孔和铣端面夹具设计
KS120-前刹车调整臂外壳工艺及钻Φ12孔夹具设计
L001B-前刹车调整臂外壳工艺及钻12孔夹具设计[含SW三维图]
L001-前刹车调整臂外壳工艺及钻12孔夹具设计
KS119-第四速及第五速变速叉[831011]工艺及铣16槽夹具设计
KS118-第四速及第五速变速叉[831011]工艺及铣尺寸10mm两端面夹具设计
KS117-第四速及第五速变速叉[831011]工艺及铣16mm槽夹具设计
KS116-第四速及第五速变速叉[831011]工艺及车攻M10螺纹孔夹具设计
KS115-第四速及第五速变速叉[831011]工艺及钻M10螺纹孔夹具设计
K133-第四速及第五速变速叉[831011]工艺及镗Φ82.2孔夹具设计
W915B-第四速及第五速变速叉[831011]工艺及钻φ19孔夹具设计[含SW三维图]