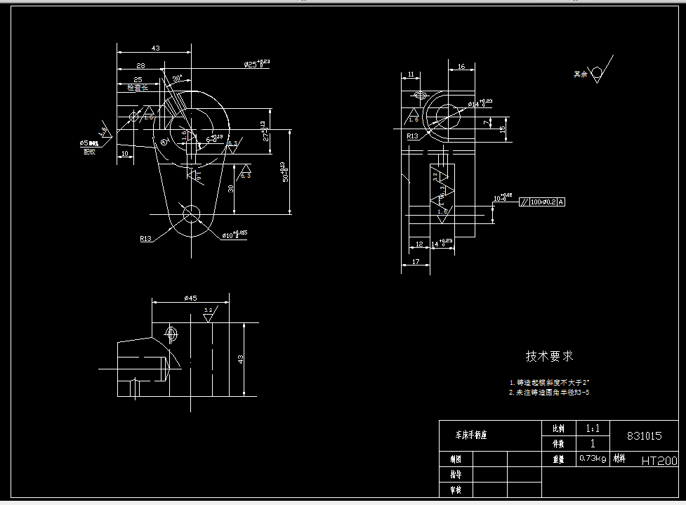
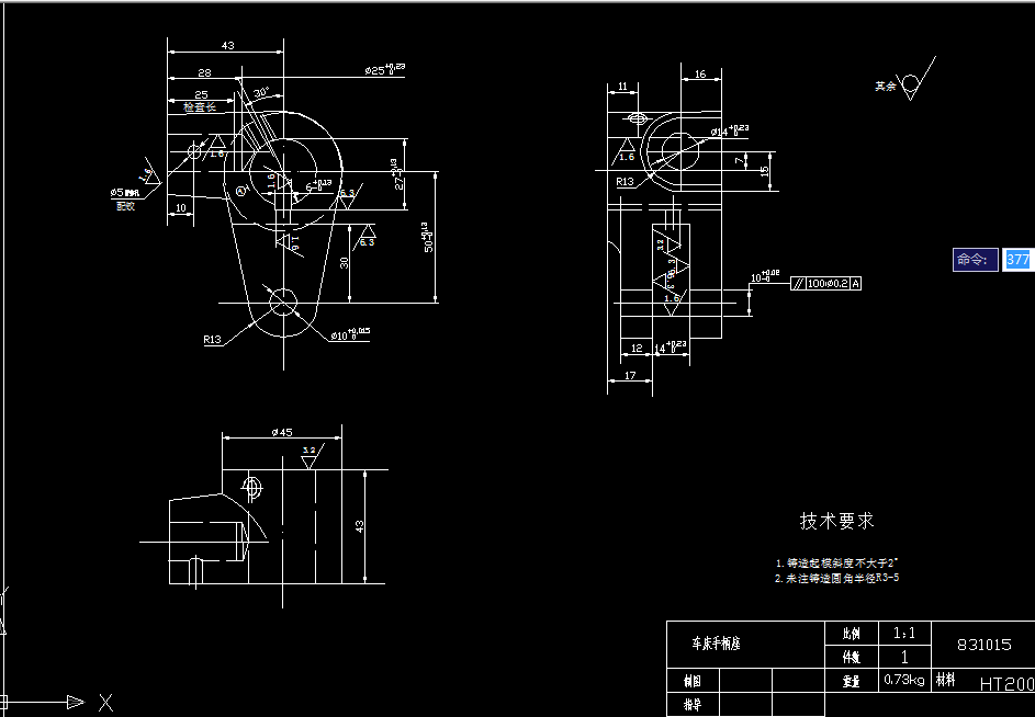
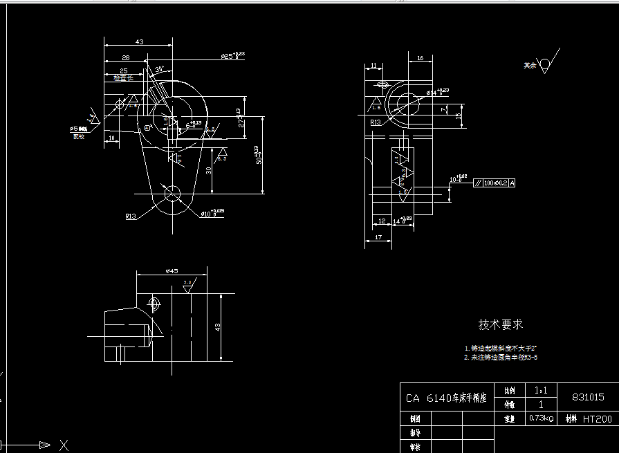
KS151-CA6140车床手柄座[831015]工艺及钻φ10孔夹具设计
KS150-CA6140车床手柄座[831015]工艺及铣端面夹具设计
Y038-CA6140车床手柄座[831015]工艺及铣45mm凸台端面夹具设计
KS149-CA6140车床手柄座[831015]工艺及钻直径14孔夹具设计-组合机床示意图
I039-CA6140车床手柄座[831015]工艺及钻φ14孔夹具设计[含SW三维图]
J1242-CA6140车床手柄座[831015]工艺及钻14孔夹具设计
KS148-CA6140车床手柄座[831015]工艺及钻φ14孔夹具设计[含Proe三维图]
W083-CA6140车床手柄座[831015]工艺及磨R13外圆夹具设计
V564-CA6140车床手柄座[831015]工艺及钻φ25H8孔夹具设计
KS147-CA6140车床手柄座[831015]工艺及钻φ25孔夹具设计[含Proe三维图]
U1732-CA6140车床手柄座[831015]工艺及钻φ10mm孔夹具设计
Z157-CA6140车床手柄座[831015]工艺及钻φ10mm孔夹具设计
J1241-CA6140车床手柄座[831015]工艺及钻φ5.5孔夹具设计
KS146-CA6140车床手柄座[831015]工艺及钻M10螺纹孔夹具设计-气动[含SW三维图]
U1731-CA6140车床手柄座[831015]工艺及钻M10螺纹孔夹具设计-气动
X193-CA6140车床手柄座[831015]工艺及钻M10螺纹孔夹具设计
Z158-CA6140车床手柄座[831015]工艺及铣φ14槽夹具设计
AA10-CA6140车床手柄座[831015]工艺及铣φ14槽夹具设计
KS145-传动轴突缘叉[831014]工艺及钻4-M8孔夹具设计[含三维图]
KS144-传动轴突缘叉[831014]工艺及钻2-39孔夹具设计