N8195-φ630mm的数控车床总体设计及纵向进给设计
N8194-φ630mm的数控车床总体设计及横向进给设计
N8193-φ500mm的数控车床总体设计及纵向进给设计
N8192-φ500mm的数控车床总体设计及主轴箱设计
N8191-φ500mm的数控车床总体设计及液压尾座设计
N8190-φ500mm的数控车床总体设计及横向进给设计
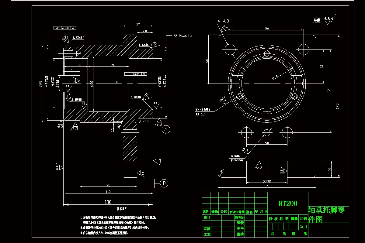
N8174-精镗6102箱盖凸轮轴孔专用组合机床的设计
N8158-φ550mm的数控车床总体设计及六角回转刀架设计
N8157-φ460mm的数控车床总体设计及六角回转刀架设计
N8156-φ460mm数控车床总体设计及横向进给设计
N8155-φ460mm的数控车床总体设计及纵向进给设计
N8154-φ320mm的数控车床总体设计及六角回转刀架设计
N8153-CW6163型卧式车床的数控化改造总体设计及自动回转刀架设计
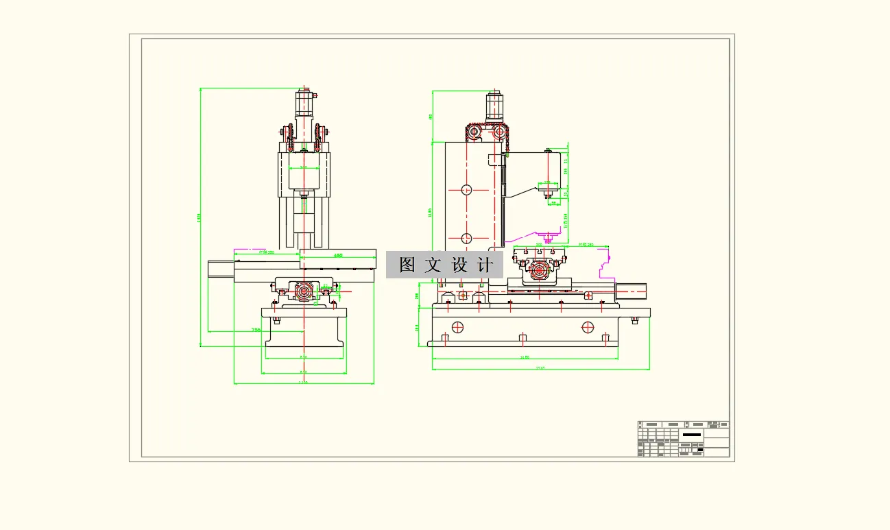
N8143-XK5032数控立式铣床总体及纵向进给传动机构设计
N8142-XK6125数控铣床总体及横向进给传动机构设计
N8141-XK6125数控铣床总体及纵向进给传动机构设计
N8103-S1105柴油机箱体制造工艺规程及专用钻床设计
N8079-墙板加工机床及主轴箱设计
N8072-基体钻铰组合机床设计
N8002-粗镗活塞销孔组合机床设计