M8417-中型轿车底盘总成设计
M8416-门座起重机象鼻梁结构设计【含SW三维图】
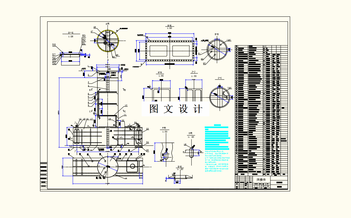
M8415-集装箱装卸桥俯仰机构设计
M8414-门座起重机总体设计及平衡系统设计
M8413-MQ2533门座起重机臂架结构设计
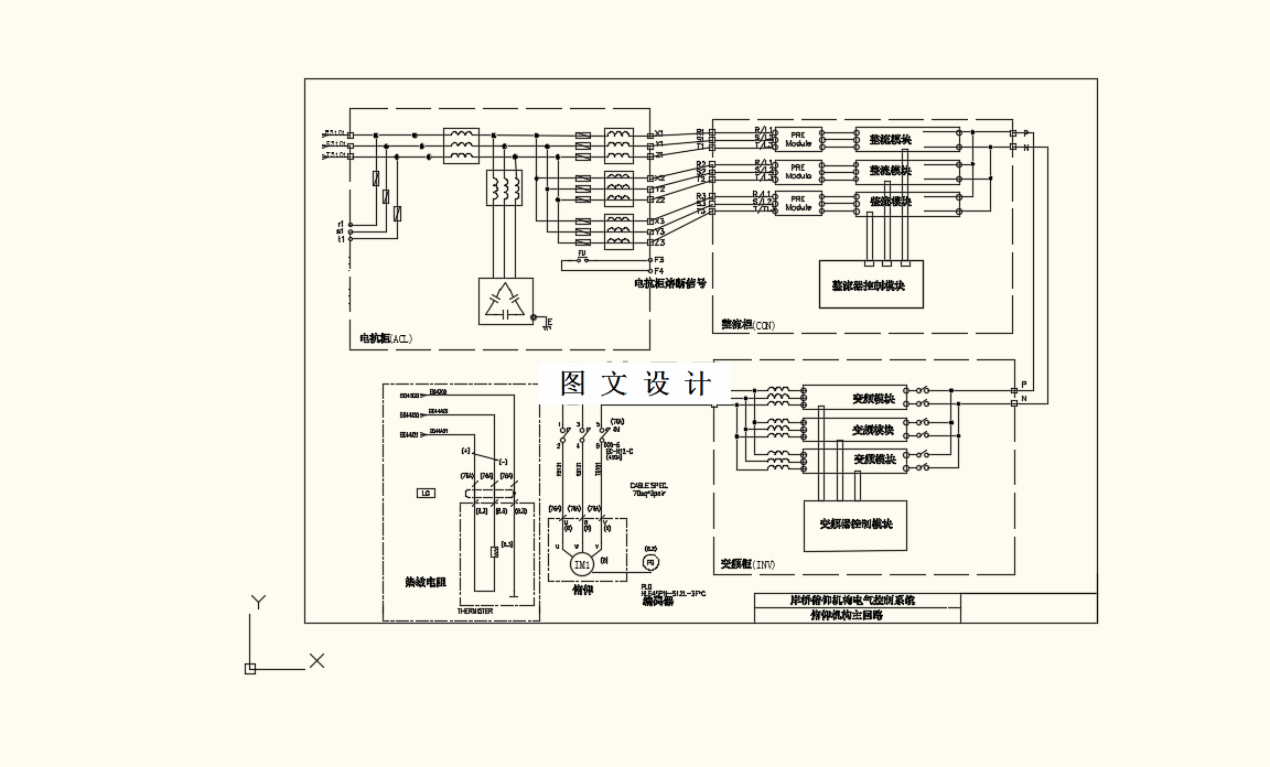
M8412-岸桥俯仰机构电气控制系统设计
M8411-集装箱装卸桥大车运行机构设计
M8410-集装箱装卸桥联系横梁及门框斜撑设计
M8409-卷绕式集装箱轮胎场桥大车运行机构设计
M8408-通用硬齿面点线啮合齿轮减速机系列设计
M8407-集装箱龙门起重机起升机构传动装置设计
M8406-集装箱装卸桥梯形架设计
M8405-集装箱装卸桥陆侧立柱设计
M8404-集装箱装卸桥前大梁设计
M8403-集装箱装卸桥梯形架设计
M8402-MQ2533门座起重机臂架平衡系统设计
M8401-MQ2533门座起重机圆筒门架结构设计
M8400-单臂架门座起重机人字架结构设计
M8399-单臂架门座起重机圆筒门架结构设计
M8398-数控铣床触点式机床测头机械与电路设计【含UG三维图】