M8397-集装箱装卸桥海陆侧上横梁设计
M8396-简易升降机的电气控制系统的设计
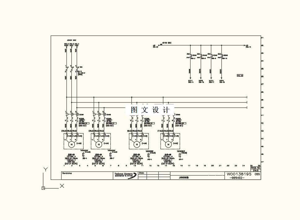
M8395-岸桥大车行走机构电气控制系统设计
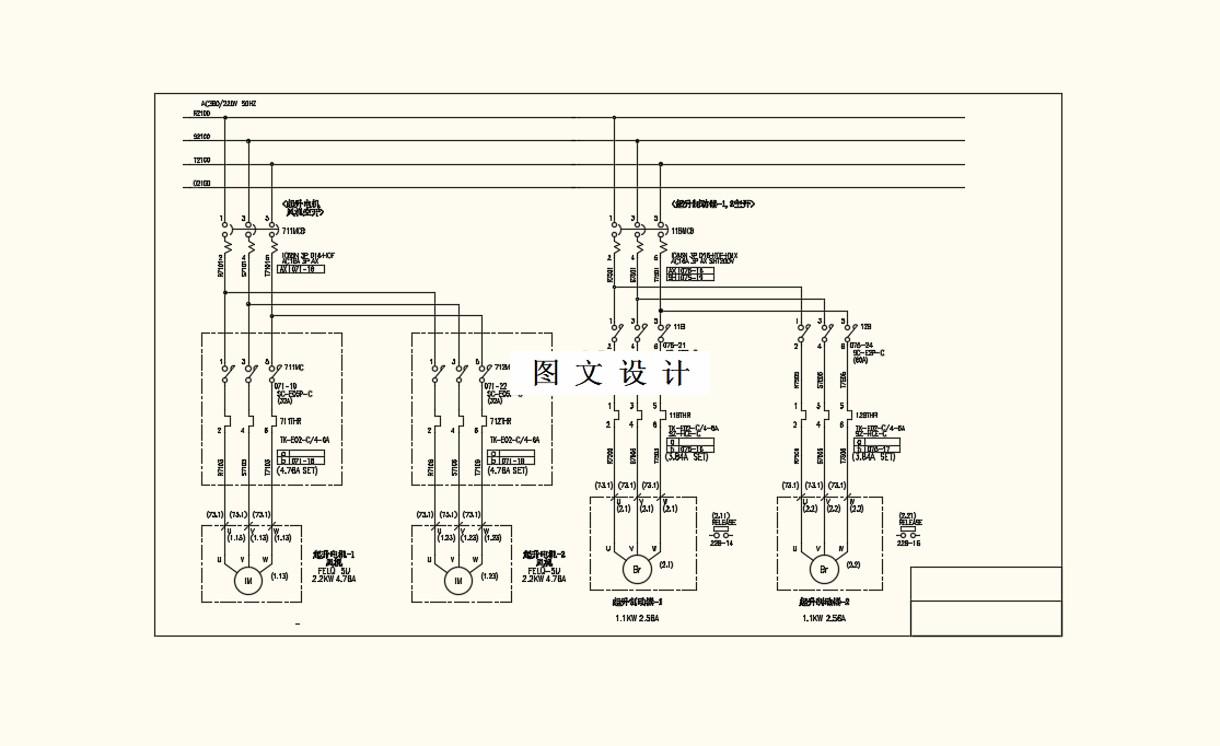
M8394-岸桥起升机构电气控制系统设计
M8393-智能移动平台的设计
M8392-纯电动公路客车悬架系统设计
M8391-ADB自适应远光灯控制系统设计【含三维图】
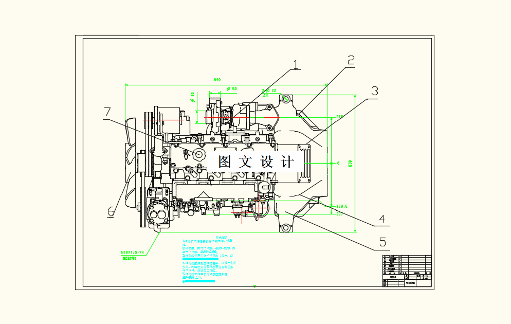
M8390-DF4102天燃气发动机连杆设计
M8389-电动轿车空调蒸发器设计
M8388-电动轿车总体设计
M8387-可移动搬运机器人视觉感知系统设计【含Catia三维图】
M8386-某型2.0L可变压缩比汽油机连杆机构设计
M8385-某型2.0L组合循环汽油机设计
M8384-轻型电动智能移动平台悬架系统设计
M8383-轻型电动智能移动平台转向系统设计
Z1238-全功率燃料电池汽车驱动系统设计
M8381-荣威RX5轿车后悬架设计
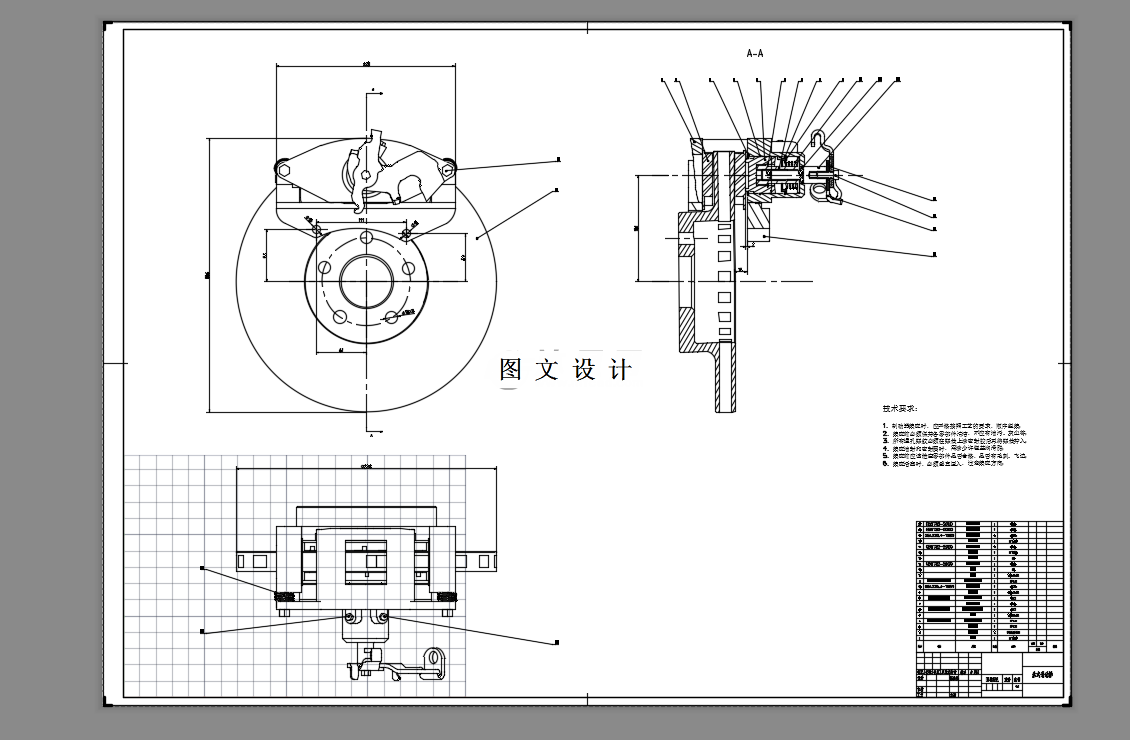
M8380-自动驾驶轻型电动车制动系统设计
M8379-大功率柴油机活塞设计
M8378-高级轿车转向系统设计