M8336-PHEV动力系统方案设计(混合动力)
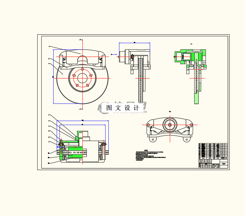
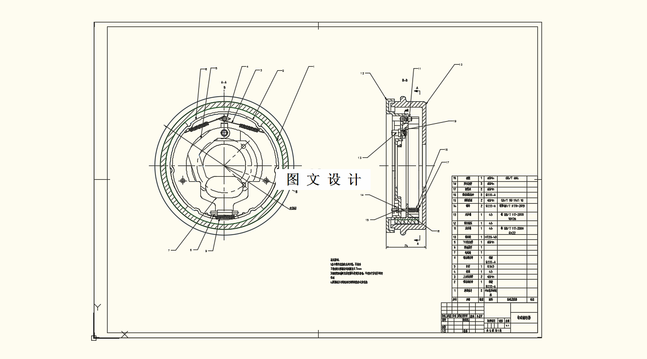
M8335-面向无人驾驶的电控制动系统设计(EMB)
M8334-某轿车发动机罩板轻量化设计
M8333-某汽车曲柄连杆机构设计
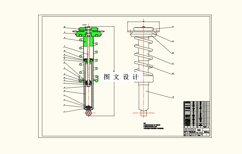
M8332-车辆的后悬架设计
M8331-热冲压智能产线多机械手协同工作装置设计
M8330-复合材料车用弹簧设计
M8329-某伺服电动助力器的设计
M8328-氢燃料电池轿车制动系统设计
Q954-天然气双层公交客车变速器设计
M8326-微型无人车线控制动系统设计
M8325-一汽J6LPHEV动力系统方案设计
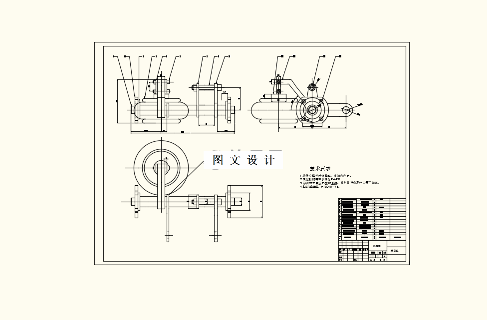
M8324-机场摆渡车动力系统匹配设计(驱动桥总成)
M8323-4110型柴油机冷却系统的优化设计
M8322-DF4102天然气发动机曲轴设计
M8321-prescan的速度规划设计
M8320-车用PEM燃料电池仿生阴极流场结构设计
M8319-乘用车传动轴结构优化设计
M8318-电动轿车转向系统的设计
M8317-汽车半主动悬架的设计