

作品包括:
Word版说明书1份,共23页,约10000字
外文翻译一份
CAD版本图纸,共7张

摘要
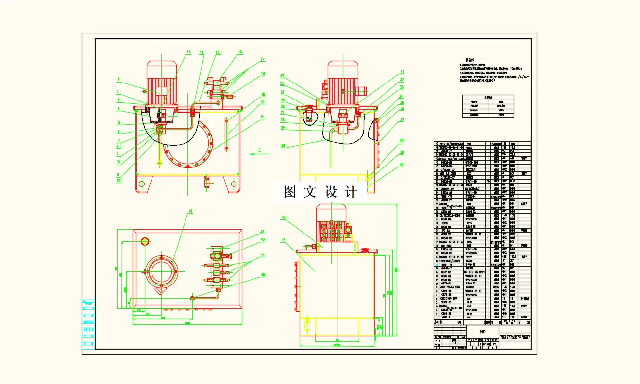
采样用稻谷砻谷机是检验稻谷出糙率和稻谷品质检验时制备糙米样品的专用设备。砻谷机的性能、脱壳效果及糙米的破碎率将直接影响稻谷出糙率的检验结果。而直接影响脱壳效果和稻谷整精米率的关键因素,是砻谷机动力系统,传动系统和分离系统的设计以及制作胶辊的材料的耐用性。本文主要对采样用砻谷机的动力选型,传动方案的设计,砻谷机胶辊、清选分离装置以及喂料装置结构布局进行了描述,从而达到所需要求。
关键词:传动机构;喂料装置;胶辊;分离系统;电动机;
摘要 1
Abstract 2
1 前言 4
1.1 研究目的与意义 4
1.2 国内外研究现状 4
2 传动装置总体方案的确定 6
2.1 传动方案的确定 6
2.2 传动装置的合理布局 7
3 齿轮式粗米机大概参数 8
3.1电动机选择 8
3.2 确定各轴转速 8
3.4各轴传动计算及校核 11
3.5轴承选择及校核 13
3.6键连接校核 15
4 脱壳机构的设计 15
4.1 胶辊材质的选择 15
4.2 谷辊接触应力的分析 16
4.3 胶辊的设计和校核 17
4.4 砻谷机线速、速比及线速差的确定 18
4.5 砻谷机的进料速度与胶辊线速的关系 18
4.6 速差和压力与脱壳工艺的关系 19
总结 21
致谢 22
参考文献 23
温馨提示:
1、题目前面的备注【字母数字编号】为本站整理分类的编号,与课题内容无关,请选题时忽视;
2、若题目上备注三维,则表示文件里包含三维源文件,由于三维组成零件数量较多,为保证预览截图的简洁性,本站将三维文件夹进行了打包。三维及CAD预览截图,均为本站电脑打开软件进行截图的,保证能够打开,下载原件超高清,下载后解压即可;
3、本站所有资源如无特殊说明,都需要本地电脑安装Office2007。图纸软件为AutoCAD,PROE,UG,SolidWorks,CATIA等;
4、本站所有图文资料仅供用户学习参考,不作为任何商用或其他用途;
5、本站不保证下载资源的准确性、安全性和完整性, 不包修改,不支持退换,同时也不承担用户因使用这些下载资源对自己和他人造成任何形式的伤害或损失;
6、 下载文件中如有侵权或不适当内容,请与我们联系,我们立即纠正。